Trong điện tử công suất tần số thấp điện áp cao , cách ly highside gate driver (HS) thường được nêu lên như là một vấn đề quan trọng trên NET. Quấn biến áp cách ly thì vướng phải cuộn dây tần số thấp không phải dễ thực hiện cho có chất lượng.
Dù có nhiều IC họ IRxxxx thực hiện chức năng này nhưng cũng không dễ kiếm mà còn đắt tiền nữa. Một vài bạn đã dùng thì có phản ảnh về trường hợp HS không đủ áp kích mở hay "chập chờn" v.v...
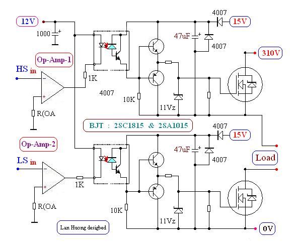
Trong các converter, inverter hay powerboss cần chạy cầu Wien với điện áp cao (310V) và tần số thấp (50Hz hay 60 Hz) thì vấn đề HS cần phải được đặt ra. Lan Hương dùng LED và các linh kiện dễ tìm để sáng tạo HS izolated driver sử dụng rất hiệu quả.
A/. Chế tạo Opto : (mua cũng được, nhưng đôi khi không đạt yêu cầu).

1/. Led : dùng Led sáng trắng, siêu sáng cũng hay.
2/. Photo diod, photo transistor hay photo resistance (quang trở) : có đầy trên thị trường.
3/. Hai thứ đặt đối đầu nhau trong một ống màu đen rồi trét keo kín mít. Sao đó tạo mạch điện như trong hình đề có Opto "tuỳ ý muốn".
B/. Mạch điện :
1/. Phần LS trong mạch không có gì để nói.
2/. Phần HS:
- Nối tải vào --> Lowside hoạt động --> ngõ ra cầu FET xuống thấp --> tụ điện 16 uF / Non Polar được nạp qua 4007 và chống áp nghịch cũng bằng 4007.

- Khi Op-amp nhận xung HS --> ngõ ra Op-amp chuyển xuống thấp --> Led được kích qua 1K --> LED sáng.
- Photo diod nhận được ánh sáng thì điện trở của nó từ vô cùng chuyển về vài K Ohm --> kích thành dòng I(b) của transistor C828 --> C828 dẫn --> phóng điện áp trên tụ 16 uF/NP vào gate của MOSFET điện áp V (gate) được qui định bởi Zenner. Hoàn tất HS driver.
Chú ý : mạch chỉ dùng được cho tần số chuyển mạch dưới 3600 Hz, càng lên cao càng bị hỗn loạn do quán tính quang học của Photo receiver LED.
Thân ái.
Lan Hương.
=================================
(còn tiếp : các biến thể hiệu quả và an toàn hơn)
Dù có nhiều IC họ IRxxxx thực hiện chức năng này nhưng cũng không dễ kiếm mà còn đắt tiền nữa. Một vài bạn đã dùng thì có phản ảnh về trường hợp HS không đủ áp kích mở hay "chập chờn" v.v...
Nguyên văn bởi minhtuankct
A/. Chế tạo Opto : (mua cũng được, nhưng đôi khi không đạt yêu cầu).
1/. Led : dùng Led sáng trắng, siêu sáng cũng hay.
2/. Photo diod, photo transistor hay photo resistance (quang trở) : có đầy trên thị trường.
3/. Hai thứ đặt đối đầu nhau trong một ống màu đen rồi trét keo kín mít. Sao đó tạo mạch điện như trong hình đề có Opto "tuỳ ý muốn".
B/. Mạch điện :
1/. Phần LS trong mạch không có gì để nói.
2/. Phần HS:
- Nối tải vào --> Lowside hoạt động --> ngõ ra cầu FET xuống thấp --> tụ điện 16 uF / Non Polar được nạp qua 4007 và chống áp nghịch cũng bằng 4007.

- Khi Op-amp nhận xung HS --> ngõ ra Op-amp chuyển xuống thấp --> Led được kích qua 1K --> LED sáng.
- Photo diod nhận được ánh sáng thì điện trở của nó từ vô cùng chuyển về vài K Ohm --> kích thành dòng I(b) của transistor C828 --> C828 dẫn --> phóng điện áp trên tụ 16 uF/NP vào gate của MOSFET điện áp V (gate) được qui định bởi Zenner. Hoàn tất HS driver.
Chú ý : mạch chỉ dùng được cho tần số chuyển mạch dưới 3600 Hz, càng lên cao càng bị hỗn loạn do quán tính quang học của Photo receiver LED.
Thân ái.
Lan Hương.
=================================
(còn tiếp : các biến thể hiệu quả và an toàn hơn)


Comment