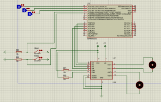
Xin chào mọi người. cho hỏi tụ gốm ký hiệu 47K 1kv tôi tìm trên mạng cách shop không thấy loại này,
vậy cho hỏi con này có thể tìm ở đâu và cách đọc để tìm con thay thế như thế nào.
Ai biết con thay thế thì xin cho biết
Xin cảm ơn
vậy cho hỏi con này có thể tìm ở đâu và cách đọc để tìm con thay thế như thế nào.
Ai biết con thay thế thì xin cho biết
Xin cảm ơn

Comment