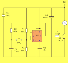
mình thấy trong cấu trúc con NE555 có flip-flop không biết có nắp được mạch công tắc này không.
nếu không dược thì chỉ mình cách mắc mạch công tắc một nút bấm với.


nếu không dược thì chỉ mình cách mắc mạch công tắc một nút bấm với.



Comment