Tui có ráp mạch đèn led theo sơ đồ trong hình như tui gặp tình trạng nó không chạy. Có phải là chân 16 của IC 4017 nối với nguồn còn chân 8 nối mass đúng không. Còn muốn bắt vào nguồn 5V mình đổi R330 bằng R150 có phải vậy không ( Tui nghe người ta nói thôi, đây là mạch đầu tiên à). Còn những thiết bị khác như tụ 0.01u tui mắc không phân biệt cực âm dương, còn tụ 10u thì tui sài tụ hoá và tui ráp cái đầu có ký hiệu dấu --- ( trên thân tụ) nối với mass như hình. Còn đèn led thì tui ráp 3 bóng ( thử trước) vào điện trở R150 rồi nói với chân 1 2 3 và chân ngắn nối mass. Tui ráp vậy đúng không và có sai bước nào không. Xin các anh chị giúp dùm tui với.Tui ráp cái mạch sài IC 555 và 4017 khoảng 7 lẩn rồi và thay đổi nhiều mạch lắm nhưng không cái nào chạy . Tui hỏi mạch này vì tui mô phỏng trên Proteus thì thấy nó chạy. Xin hãy giúp dùm nhé. Tui cảm ơn hết cho bất kỳ ai đóng góp ý kiến của mình. Thank you
Thông báo
Collapse
No announcement yet.
Ai giúp dùm tui mạch Led sài IC555 và IC4017.Tui bấm thank cho bất kỳ ai cho ý kiến
Collapse
X
-
Bạn thử lắp theo mạch dưới xem. Và đừng có thank gì nhé, rách việc.Nguyên văn bởi sunshine Xem bài viếtTui có ráp mạch đèn led theo sơ đồ trong hình như tui gặp tình trạng nó không chạy. Có phải là chân 16 của IC 4017 nối với nguồn còn chân 8 nối mass đúng không. Còn muốn bắt vào nguồn 5V mình đổi R330 bằng R150 có phải vậy không ( Tui nghe người ta nói thôi, đây là mạch đầu tiên à). Còn những thiết bị khác như tụ 0.01u tui mắc không phân biệt cực âm dương, còn tụ 10u thì tui sài tụ hoá và tui ráp cái đầu có ký hiệu dấu --- ( trên thân tụ) nối với mass như hình. Còn đèn led thì tui ráp 3 bóng ( thử trước) vào điện trở R150 rồi nói với chân 1 2 3 và chân ngắn nối mass. Tui ráp vậy đúng không và có sai bước nào không. Xin các anh chị giúp dùm tui với.Tui ráp cái mạch sài IC 555 và 4017 khoảng 7 lẩn rồi và thay đổi nhiều mạch lắm nhưng không cái nào chạy . Tui hỏi mạch này vì tui mô phỏng trên Proteus thì thấy nó chạy. Xin hãy giúp dùm nhé. Tui cảm ơn hết cho bất kỳ ai đóng góp ý kiến của mình. Thank you
-
Kiểm tra từng phần nhé !
1. Cắt nguyên mạch 555 ra, test mạch 4017 trước:
- Cấp nguồn vào mạch 4017
- Lấy 1 sợi dây Jump câu 1 đầu vào 5V, đầu còn lại chấm chấm vào chân số 14 của IC 4017
+ Nếu thấy Led sáng sau mỗi lần chấm => Mạch 4017 O.K ! => Kiểm tra mạch dao động 555
+ Nếu không thấy led nào sáng => biết phải làm gì rồi đấy (Làm lại chứ làm gì)
- Muốn nối Led lên 5V thì phải đảo chiều của Led, trở 150 thì hơi sáng.
2. Kiểm tra mạch 555
- Lấy 1 con Led nối chân dương led vào chân số 3, chân âm của Led vào mass, rồi cấp nguồn cho 555 xem Led vừa lắp đó có nháy không. Nháy thì mạch 555 tốt
Mạch này trời ơi lắm, kiếm cái mạch nào dùng biến trở ấy, có thể thay đổi được tốc độ chạy của Led
Comment
-
Anh ơi cho em hỏi là em làm đúng không, có sai bước nào không.Nguyên văn bởi Multi System Xem bài viếtKiểm tra từng phần nhé !
1. Cắt nguyên mạch 555 ra, test mạch 4017 trước:
- Cấp nguồn vào mạch 4017
- Lấy 1 sợi dây Jump câu 1 đầu vào 5V, đầu còn lại chấm chấm vào chân số 14 của IC 4017
+ Nếu thấy Led sáng sau mỗi lần chấm => Mạch 4017 O.K ! => Kiểm tra mạch dao động 555
+ Nếu không thấy led nào sáng => biết phải làm gì rồi đấy (Làm lại chứ làm gì)
- Muốn nối Led lên 5V thì phải đảo chiều của Led, trở 150 thì hơi sáng.
2. Kiểm tra mạch 555
- Lấy 1 con Led nối chân dương led vào chân số 3, chân âm của Led vào mass, rồi cấp nguồn cho 555 xem Led vừa lắp đó có nháy không. Nháy thì mạch 555 tốt
Mạch này trời ơi lắm, kiếm cái mạch nào dùng biến trở ấy, có thể thay đổi được tốc độ chạy của Led
Comment
-
1.- Lắp mạch theo sơ đồ nguyên lý. Theo database. Không theo mô phỏng.Nguyên văn bởi sunshine Xem bài viếtAnh ơi cho em hỏi là em làm đúng không, có sai bước nào không.
2.- Thử từng phần.
3.- . . . hết.
Chúc vui.
Comment
-
Cái mạch này làm từ thời sơ khai khi học điện tử thiết kế trên mạch in thật cho ra sản phẩm!
- Đầu tiên kiểm tra nguồn, mass cho toàn mạch, kể cả cắm trên board cũng cần kiểm tra.
- Test từng phần 1:
+ Test led đơn là phần quan trọng nhất, kiểm tra các đầu +,- của Led đơn; thường thì chân dài là + và chân ngắn là -. Tuy nhiên cũng có 1 số nhà sản xuất làm ngược lại
chú ý cái này nhé!
+ Test 555; Dùng trở như hình vẽ, dùng tụ 10uF16V, bỏ tụ ở chân số 5 của 555 đi! Nối nguồn, mass cẩn thận rồi cho 1 con Led (thêm trở cho chắc ăn
vào chân số 3 test xem có gì ko, ko có gì thì test trên 1 con 555 khác!
+ Test 4017: Mắc như hình, nối nguồn chân số 16, mass chân số 8, chân 15 và 13 cắm mass luôn, chưa cần xung clock, nối 1 con led vào chân số 3 của 4017 xem có sáng ko<ko sáng để mình xem lại, hoặc thay 4017
)!
+ Tiến hành nối các led vào các đầu ra tương tự ( chú ý nguồn mass của Led), nối xung clk từ chân 3 của 555 vào chân 14 của 4017!
+ Cấp nguồn, mass!
- Xong, ngồi xem kết quả thu được. Vẫn ko thấy gì thi mua 1 bộ 555+4107 nữa về làm tiếp
!
Trần Đức Sơn
tel:0934691385
Comment
-
Mạch của bạn chạy OK !Nguyên văn bởi sunshine Xem bài viếtAnh ơi cho em hỏi là em làm đúng không, có sai bước nào không.
Mình test thử bằng thực tế.
Lưu ý với mạch 4017: Tuy trên hình không vẽ 2 chân 16 và chân 8 của 4017, nhưng khi làm mạch bạn phải nối chân 16 lên 5v và chân 8 xuống mass.
Mạch 555 thì C2 thay bằng 1uF.
Bạn hãy lắp cho thật đúng nhé ! Mạch của bạn cho kết quả chạy khá đẹp đấy.
Chúc thành công !Last edited by Multi System; 10-05-2009, 15:11.
Comment
-
Em thành công rồi anh ơi cám ơn anh nhiều lắm. Tại vì con 555 nó bị hư ( hông biết nguyên nhân, em chấm chì cũng đâu có nóng con đó lắm đâu, Nhưn thôi kệ làm được là tốt rồi). Cám ơn anh rất nhiều.Nguyên văn bởi cddt061 Xem bài viếtCái mạch này làm từ thời sơ khai khi học điện tử thiết kế trên mạch in thật cho ra sản phẩm!
- Đầu tiên kiểm tra nguồn, mass cho toàn mạch, kể cả cắm trên board cũng cần kiểm tra.
- Test từng phần 1:
+ Test led đơn là phần quan trọng nhất, kiểm tra các đầu +,- của Led đơn; thường thì chân dài là + và chân ngắn là -. Tuy nhiên cũng có 1 số nhà sản xuất làm ngược lại
chú ý cái này nhé!
+ Test 555; Dùng trở như hình vẽ, dùng tụ 10uF16V, bỏ tụ ở chân số 5 của 555 đi! Nối nguồn, mass cẩn thận rồi cho 1 con Led (thêm trở cho chắc ăn
vào chân số 3 test xem có gì ko, ko có gì thì test trên 1 con 555 khác!
+ Test 4017: Mắc như hình, nối nguồn chân số 16, mass chân số 8, chân 15 và 13 cắm mass luôn, chưa cần xung clock, nối 1 con led vào chân số 3 của 4017 xem có sáng ko<ko sáng để mình xem lại, hoặc thay 4017
)!
+ Tiến hành nối các led vào các đầu ra tương tự ( chú ý nguồn mass của Led), nối xung clk từ chân 3 của 555 vào chân 14 của 4017!
+ Cấp nguồn, mass!
- Xong, ngồi xem kết quả thu được. Vẫn ko thấy gì thi mua 1 bộ 555+4107 nữa về làm tiếp
!
Nhân tiện anh cho em hỏi mạch này chỉ chạy led đơn thôi giờ nếu em muốn nó chạy từ trên xuống dưới .Tức đèn 1 cháy rồi đèn 2 cháy ( đèn 1 vẫn cháy), sau đó đèn 3 cháy ( đèn 1, 2 vẫn cháy ) thì mình thêm con gì vào vậy anh.
Comment
-
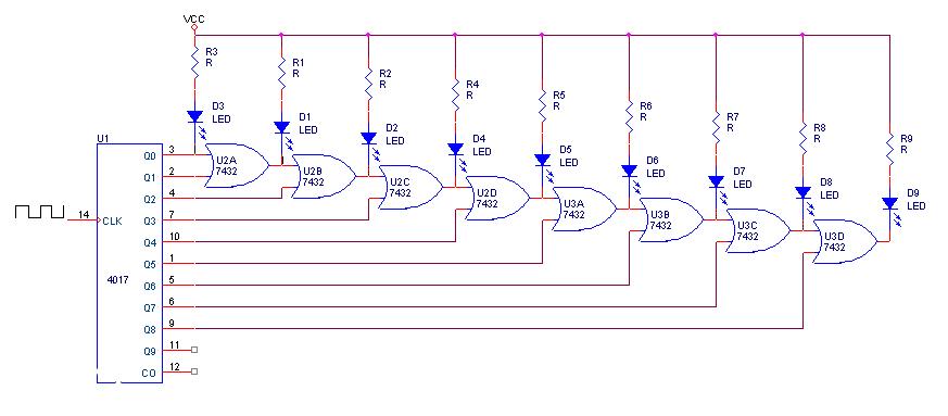
Bạn dùng thêm 2 con 7432 nữa là ok! chúc vui...Nguyên văn bởi sunshine Xem bài viếtEm thành công rồi anh ơi cám ơn anh nhiều lắm. Tại vì con 555 nó bị hư ( hông biết nguyên nhân, em chấm chì cũng đâu có nóng con đó lắm đâu, Nhưn thôi kệ làm được là tốt rồi). Cám ơn anh rất nhiều.
Nhân tiện anh cho em hỏi mạch này chỉ chạy led đơn thôi giờ nếu em muốn nó chạy từ trên xuống dưới .Tức đèn 1 cháy rồi đèn 2 cháy ( đèn 1 vẫn cháy), sau đó đèn 3 cháy ( đèn 1, 2 vẫn cháy ) thì mình thêm con gì vào vậy anh.
Comment
-
Thằng em nó nói là làm Led cháy cơ màNguyên văn bởi sunshine Xem bài viếtEm thành công rồi anh ơi cám ơn anh nhiều lắm. Tại vì con 555 nó bị hư ( hông biết nguyên nhân, em chấm chì cũng đâu có nóng con đó lắm đâu, Nhưn thôi kệ làm được là tốt rồi). Cám ơn anh rất nhiều.
Nhân tiện anh cho em hỏi mạch này chỉ chạy led đơn thôi giờ nếu em muốn nó chạy từ trên xuống dưới .Tức đèn 1 cháy rồi đèn 2 cháy ( đèn 1 vẫn cháy), sau đó đèn 3 cháy ( đèn 1, 2 vẫn cháy ) thì mình thêm con gì vào vậy anh.
Dùng nguồn 15v,12V hoặc 9V cũng được bỏ qua tất cả các điện trở 330R của các led đi, đảm bảo mạch chạy ngon lành!
Led 1 cháy rồi đến Led 2 cháy (led 1 vẫn cháy) .... >> Tất cả các Led đều cháy
Trần Đức Sơn
tel:0934691385
Comment
-
mạnh đếm phải không mà đã dùng 2 con 7 thanh thì đếm đến 99 luôn dung2 con 4511 hay 4510 gì đó mình cũng quên mấtNguyên văn bởi vantien8890 Xem bài viếtai giúp mình vẽ sơ đồ nguyên lý mạch led 7 đoạn sáng từ 0>23 dc kokiếm của kiếm khách , bút của văn nhân , chân của vũ giả , giọng ca của ca nữ , đấu chí của anh hùng , mỏ hàn của thợ điện . đều giống nhau ở 1 điểm là:
đến chết mới buông tay
Comment
-
anh oiNguyên văn bởi cddt061 Xem bài viếtCái mạch này làm từ thời sơ khai khi học điện tử thiết kế trên mạch in thật cho ra sản phẩm!
- Đầu tiên kiểm tra nguồn, mass cho toàn mạch, kể cả cắm trên board cũng cần kiểm tra.
- Test từng phần 1:
+ Test led đơn là phần quan trọng nhất, kiểm tra các đầu +,- của Led đơn; thường thì chân dài là + và chân ngắn là -. Tuy nhiên cũng có 1 số nhà sản xuất làm ngược lại
chú ý cái này nhé!
+ Test 555; Dùng trở như hình vẽ, dùng tụ 10uF16V, bỏ tụ ở chân số 5 của 555 đi! Nối nguồn, mass cẩn thận rồi cho 1 con Led (thêm trở cho chắc ăn
vào chân số 3 test xem có gì ko, ko có gì thì test trên 1 con 555 khác!
+ Test 4017: Mắc như hình, nối nguồn chân số 16, mass chân số 8, chân 15 và 13 cắm mass luôn, chưa cần xung clock, nối 1 con led vào chân số 3 của 4017 xem có sáng ko<ko sáng để mình xem lại, hoặc thay 4017
)!
+ Tiến hành nối các led vào các đầu ra tương tự ( chú ý nguồn mass của Led), nối xung clk từ chân 3 của 555 vào chân 14 của 4017!
+ Cấp nguồn, mass!
- Xong, ngồi xem kết quả thu được. Vẫn ko thấy gì thi mua 1 bộ 555+4107 nữa về làm tiếp
!
mạch ic 555 em nối đèn led rồi nó ko nháy mà chỉ sáng thôi. Rứa là có được ko anh.
còn con ic 4017 em test mà con nao` cũng ko được hết là sao anh.
mong anh giúp đỡ.
Comment
Bài viết mới nhất
Collapse
-
bởi bqvietMạch cồng kềnh nhưng khá bài bản. Nếu tự làm để học thì cũng đáng để bắt tay nghịch chơi. Nếu chỉ cần sản phẩm thì các sàn thương mại điện tử có sẵn UPS DC này ra 5V hoặc 12V rất sẵn, chạy pin, giá cũng không đắt.
-
Channel: Điện tử sáng tạo
Hôm qua, 18:28 -
-
bởi mylinhattTrong vận hành thực tế, nhiều xưởng gia công gặp tình trạng máy phay CNC bắt đầu sai kích thước, bề mặt rung nhẹ hoặc phát sinh lỗi thay dao dù chương trình và dao cắt không thay đổi. Phần lớn các vấn đề này không xuất phát từ lập trình mà đến từ việc bảo dưỡng máy chưa được thực hiện đúng và đủ....
-
Channel: Máy công cụ
22-12-2025, 11:27 -
-
bởi ittcHì, em tính đi mua 1 cái máy Khoan và máy Mài (cắt), em đã chính thức gạt thằng BOSCH sang 1 bên vì giá cao hơn Dewalt và Makita, hơn nữa xem Cataloge của nó thì hàng ít model mẫu mã hơn.
Giá Dewalt và Makita thấy ngang ngửa nhau, thôi thì nhu...-
Channel: Điện tử gia dụng
22-12-2025, 07:20 -
-
bởi DaoVanTrongChào Anh Em. Nay em có tạo 1 sơ đồ mạch UPS sau, xin Ae cho ý kiến.
Và nếu biết sản phẩm này nếu có sẵn thì em xin link để mua (nếu giá phù hợp) thì em đỡ phải làm ạ, vì em tìm nhưng không thấy:
╔═══════════════════[ĐIỆN_LƯỚI_220V]════════════════╗...-
Channel: Điện tử sáng tạo
21-12-2025, 23:32 -
-
Trả lời cho Nên mua máy phay CNC cũ, máy mới phổ thông hay máy chất lượng cao? Góc nhìn từ bài toán sản xuất thực tếbởi nguyendinhvanNgày trước, khi KT đang tăng trưởng, một cái máy tự động cũ tầm trung, thì khoảng 5 năm là hoàn vốn. Nhưng hiện tại, mọi việc đều chậm trễ, cạnh tranh, nên theo các xếp tính thì phải hơn 10 năm làm việc ngon lành thì mới hoàn vốn....
-
Channel: Máy công cụ
20-12-2025, 20:23 -
-
Trả lời cho cách làm led Hao Quang.có pro nào biết k nhỉ ???bởi StatusHello! I'm from Kazakhstan. Can anyone share the HEX file with me? The download link in post 50 doesn't work.
-
Channel: Vi điều khiển họ 8051
18-12-2025, 00:05 -
-
bởi mylinhattChào anh em cơ khí,
Trong quá trình tư vấn đầu tư thiết bị cho xưởng, mình gặp rất nhiều câu hỏi kiểu: “Nên mua máy phay CNC cũ để tiết kiệm, chọn máy mới phổ thông cho yên tâm, hay cố gắng lên máy chất lượng cao để làm hàng khó?”. Thực tế, đây không phải câu hỏi chỉ về...-
Channel: Máy công cụ
17-12-2025, 13:38 -
-
Trả lời cho Vấn đề về tốc độ quaybởi nguyendinhvanSử dụng động cơ servor, hoặc lắp thêm một cái encoder vào động cơ bước. Encoder sẽ kiểm soát động cơ có quay hoặc đứng im.
-
Channel: Điện tử truyền hình
14-12-2025, 19:50 -

Comment