Làm gì còn chị Lan Hương? Chẳng ai làm được cả. Mình nghĩ nên đóng luồng này lại.
Thông báo
Collapse
No announcement yet.
mạch đuổi muỗi?
Collapse
X
-
thêm nữa có thiết bị đuổi muỗi làm mọi người lười thêm . kô chịu dọn dẹp, cống dãnh . diệt lăng quăng ,bọ gậy . hại sức khỏe của vật nuôi. cho tôi mạch tốt 1000 lần vậy tôi cũng không sài đâu. vật cũng đau như người thôi. nuôi con gì yêu quý chúng như bạn thân ta vậyNguyên văn bởi phamtrieu Xem bài viếtMọi người làm mạch này chỉ chú ý đến con người thui ah. Không chú ý đến các loại động vật nuôi khác. Với mạch này ô nhiễm môi trường lám. Tui nghe nói loài chó có khả năng nghe thấy âm thanh với tần số khá cao đấy, vượt qua ngưỡng đau của con người. Và còn một số động vật nữa chứ, bằng chứng là Chuột và Muỗi nghe được thì tại sao các loài vật khác không có loài nào nghe được hay sao? Nếu với tần số như Hương Lan nói, nó nằm trong ngưỡng nghe của các loài vật đó, với tần số cao như vậy thì chắc là phải gần ngưỡng đau của chúng. Vậy chúng sẽ như thế nào? Còn nữa, siêu âm rất có hại cho con người, làm cho thần kinh trở nên Có Vấn Đề. Nói chung dùng siêu âm đuổi muỗi là không được. Làm nguy hại đến môi trường và con người, không có ứng dụng tỏng thực tế. Kết một câu cuối: làm gì thì cũng phải quan tâm đến môi trường xung quanh, kể cả ăn một cái kẹo. Bài của một người con nông dân!
Comment
-
em tìm thấy bài này k biết có giúp j cho mọi người k?
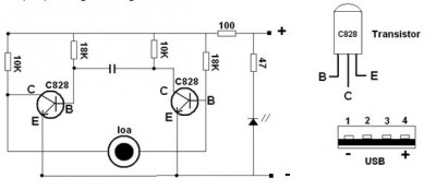
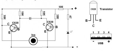
Nếu bạn đang tìm một giải pháp hữu hiệu để đối phó với “giặc” muỗi mỗi khi làm việc bên máy tính, xin mách bạn một cách rất thú vị: tự chế một board mạch đuổi muỗi, dùng nguồn điện từ máy tính qua cổng USB.
Bạn cần chuẩn bị một số linh kiện sau: một board đồng nhỏ, có lỗ sẵn (2x2cm), hai transistor C828, một tụ 103, cổng USB đực, một đèn LED báo hiệu, một loa thạch anh, và vài con điện trở.
Bước 1: Bạn xem hướng dẫn cách ráp mạch trong hình 1, nên sắp xếp các linh kiện sát với nhau để tạo ra một mạch càng nhỏ càng tốt.
Hình 1
Bước 2: Với loa thạch anh, nếu không tìm mua được ở các tiệm linh kiện điện tử, bạn có thể lấy từ một chiếc thiệp cũ có nhạc (xé thiệp ra, bạn sẽ thấy một chiếc loa có hai dây được đặt trong một miếng nhựa trắng nhỏ). Loại loa nầy có thể gắn ngay vào mạch như trong hình trên là được.
Với loại mua mới thì chiếc loa chưa được hàn dây, nên bạn tự hàn như sau: một sợi dây sẽ hàn vào phần kim loại bên ngoài được xi vàng - bạn phải dùng dao nhọn hay dũa để làm trầy xước phần kim loại để có thể hàn vào được. Với sợi dây còn lại, bạn hàn vào vùng thạch anh bên trong, có một khu vực được đánh dấu hình chữ Y để hàn vào đó.
Bạn cần đợi cho mỏ hàn thật nóng, chấm chì vào sợi dây trước, sau đó mới hàn thật nhanh vào phần bên trong được đánh dấu. Nếu làm chậm, phần thạch anh sẽ cháy lan ra, khiến bạn không hàn được nữa. Đó là lý do người ta đánh dấu vùng hàn cho bạn, vì nếu có bị cháy thì chỉ cháy phần bên trong được đánh dấu, bạn sẽ có cơ hội thứ hai để hàn vào phần thạch anh vùng bên ngoài (nếu bị cháy tiếp thì chỉ còn nước… vất đi).
Bước 3: Sau khi làm xong mạch như trên, bạn cần một chiếc hộp để đựng mạch và loa. Bạn có thể tận dụng những chiếc hộp bằng nhựa nhỏ (ở đây, tôi dùng một chiếc nắp chụp ở đầu bàn chải đánh răng). Chiếc hộp phải đủ chỗ cho phần mạch, loa thạch anh và một cổng USB.
Bạn dùng mỏ hàn, hay dao nhọn cắt một cái lỗ hình chữ nhật vừa đủ cho cổng USB lòi ra, rồi dùng keo dán cố định nó lại để khi rút ra cắm vào không bị tuột ra. Bạn hàn phần nguồn của mạch vào cổng USB như Hình 2, rồi cố định bo mạch lại để không bị chập mạch.
Với phần loa thạch anh, bạn dùng một ít keo dán vào một bên loa với vỏ hộp (không nên dán hết, vì phải chừa khoảng trống cho loa kêu nữa). Trên vỏ hộp, phía có loa, bạn đục vài lỗ để âm thanh từ loa phát ra. Cuối cùng, bạn trang trí vỏ hộp lại cho đẹp (dùng decal dán bên ngoài).
Hình 2
Khi sử dụng, đèn LED báo hiệu đang hoạt động. Âm thanh loa phát ra ở tần số cao, tai bạn không nghe được nhưng rất hiệu quả trong việc đuổi muỗi.
Chúc bạn thực hiện thành công!
Email:
Gmail:
Comment
-
tình hình là em mua cái máy đuổi muỗi của bọn USA đang bán trên Bestbuy em thử nó rất là hiệu quả cắm điện vào muỗi chuột trong nhà tụ nhiên chạy lung tung thế là mang gậy ra đập hay ghê.em tháo ra thấy rất đơn giản.1 ne555p 4 trở 1k 2 trở 470h 3 tụ gốm 223 ,104 1 cái loa R 2,2CM và 4L 1 cái 4 vòng 3 cái 7 vòng.
Comment
-
Cảm ơn bác đã mở cái mạch của bọn bestbuy .bác có thể vẽ lại cái mạch đố cho anh em tham khảo.Nguyên văn bởi linght Xem bài viếttình hình là em mua cái máy đuổi muỗi của bọn USA đang bán trên Bestbuy em thử nó rất là hiệu quả cắm điện vào muỗi chuột trong nhà tụ nhiên chạy lung tung thế là mang gậy ra đập hay ghê.em tháo ra thấy rất đơn giản.1 ne555p 4 trở 1k 2 trở 470h 3 tụ gốm 223 ,104 1 cái loa R 2,2CM và 4L 1 cái 4 vòng 3 cái 7 vòng.
Mình đã dùng mạch 555 như tần số chưa được . chắc là các bác trên đây tính toán sai.chắc phải tự tính lại thôi.
Comment
-
bác này hay nè, đầu tư hẳn 1 cái về tháo ra xem. Có thể vẽ lại sơ đồ và hình ảnh để cho cái tín đồ tranh luận ko nhỉNguyên văn bởi linght Xem bài viếttình hình là em mua cái máy đuổi muỗi của bọn USA đang bán trên Bestbuy em thử nó rất là hiệu quả cắm điện vào muỗi chuột trong nhà tụ nhiên chạy lung tung thế là mang gậy ra đập hay ghê.em tháo ra thấy rất đơn giản.1 ne555p 4 trở 1k 2 trở 470h 3 tụ gốm 223 ,104 1 cái loa R 2,2CM và 4L 1 cái 4 vòng 3 cái 7 vòng.
Comment
-
anh vẽ mạch cho mọi người tham khảo đi,anh tính xem tần số nó bao nhiêu cũng đượcNguyên văn bởi linght Xem bài viếttình hình là em mua cái máy đuổi muỗi của bọn USA đang bán trên Bestbuy em thử nó rất là hiệu quả cắm điện vào muỗi chuột trong nhà tụ nhiên chạy lung tung thế là mang gậy ra đập hay ghê.em tháo ra thấy rất đơn giản.1 ne555p 4 trở 1k 2 trở 470h 3 tụ gốm 223 ,104 1 cái loa R 2,2CM và 4L 1 cái 4 vòng 3 cái 7 vòng.Trái đất luôn tròn vì vậy bạn chẳng thể nào nhìn thấy phía cuối con đường đi...
Keep moving forward...
Comment
-
Bác này chả hiểu gì vật lý lớp 12 .Tính chất của sóng là như nhau ở đây sóng đã tạo ra cũng không phải là âm thanh (con người ko nghe dc) cho nên không đc coi là sóng âm. Quan trọng ở đây là tần số nào,mức độ nào ảnh hưởng đến con người và vật nuôi có ích. VD : phóng xạ hạt nhân mức thấp (Mây phóng xạ của Fucusima)cũng không ảnh hưởng con người , nhưng ban nghe nhạc với cường độ > 100 db thì bạn cũng bị điếc dần đần đấy. bạn hiểu không ????Nguyên văn bởi Pluto19 Xem bài viếtLàm sao bạn có thể so sánh sóng Điện từ va sóng cơ học đc....Haizzz
Comment
-
Up mạch lên đi bác,.Nguyên văn bởi linght Xem bài viếttình hình là em mua cái máy đuổi muỗi của bọn USA đang bán trên Bestbuy em thử nó rất là hiệu quả cắm điện vào muỗi chuột trong nhà tụ nhiên chạy lung tung thế là mang gậy ra đập hay ghê.em tháo ra thấy rất đơn giản.1 ne555p 4 trở 1k 2 trở 470h 3 tụ gốm 223 ,104 1 cái loa R 2,2CM và 4L 1 cái 4 vòng 3 cái 7 vòng.
Comment
Bài viết mới nhất
Collapse
-
bởi DaoVanTrongChào Anh Em. Nay em có tạo 1 sơ đồ mạch UPS sau, xin Ae cho ý kiến.
Và nếu biết sản phẩm này nếu có sẵn thì em xin link để mua (nếu giá phù hợp) thì em đỡ phải làm ạ, vì em tìm nhưng không thấy:
╔═══════════════════[ĐIỆN_LƯỚI_220V]════════════════╗...-
Channel: Điện tử sáng tạo
hôm nay, 23:32 -
-
Trả lời cho Nên mua máy phay CNC cũ, máy mới phổ thông hay máy chất lượng cao? Góc nhìn từ bài toán sản xuất thực tếbởi nguyendinhvanNgày trước, khi KT đang tăng trưởng, một cái máy tự động cũ tầm trung, thì khoảng 5 năm là hoàn vốn. Nhưng hiện tại, mọi việc đều chậm trễ, cạnh tranh, nên theo các xếp tính thì phải hơn 10 năm làm việc ngon lành thì mới hoàn vốn....
-
Channel: Máy công cụ
Hôm qua, 20:23 -
-
Trả lời cho cách làm led Hao Quang.có pro nào biết k nhỉ ???bởi StatusHello! I'm from Kazakhstan. Can anyone share the HEX file with me? The download link in post 50 doesn't work.
-
Channel: Vi điều khiển họ 8051
18-12-2025, 00:05 -
-
bởi mylinhattChào anh em cơ khí,
Trong quá trình tư vấn đầu tư thiết bị cho xưởng, mình gặp rất nhiều câu hỏi kiểu: “Nên mua máy phay CNC cũ để tiết kiệm, chọn máy mới phổ thông cho yên tâm, hay cố gắng lên máy chất lượng cao để làm hàng khó?”. Thực tế, đây không phải câu hỏi chỉ về...-
Channel: Máy công cụ
17-12-2025, 13:38 -
-
Trả lời cho Vấn đề về tốc độ quaybởi nguyendinhvanSử dụng động cơ servor, hoặc lắp thêm một cái encoder vào động cơ bước. Encoder sẽ kiểm soát động cơ có quay hoặc đứng im.
-
Channel: Điện tử truyền hình
14-12-2025, 19:50 -
-
bởi Andrea14Chào mọi người,
Tôi muốn mô phỏng sự thay đổi các mùa bằng cách từ từ nghiêng một quả địa cầu 16 inch bằng một động cơ bước nhỏ. Một động cơ bước khác sẽ quay quả địa cầu theo thời gian thực. Hệ thống truyền động...-
Channel: Điện tử truyền hình
12-12-2025, 12:42 -

Comment