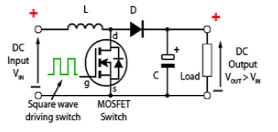
1. Tính toán cuộn cảm (Inductor)
Để tính giá trị cuộn cảm, chúng ta cần thực hiện các bước sau:
a. Xác định chu kỳ nhiệm vụ (Duty Cycle - D)
Với mạch tăng áp lý tưởng, chu kỳ nhiệm vụ được tính theo công thức :
D=1-VinVout=1-24V30V=0.2
Vậy D = 0.2 (20%)
b. Tính dòng điện đầu vào trung bình (Input Current - Iin)
Bỏ qua tổn hao, công suất đầu vào bằng công suất đầu ra :
Pout=Vout×Iout=30V×10A=300W
Dòng điện đầu vào trung bình:
Iin=PoutVin=300W24V=12.5A
c. Chọn độ nhấp nhô dòng điện (Ripple Current - ΔI_L)
Thông thường, độ nhấp nhô dòng điện qua cuộn cảm được chọn trong khoảng 20-40% dòng điện đầu vào . Ở đây ta chọn mức 30% để cân bằng giữa kích thước cuộn cảm và dòng đỉnh.
ΔIL=0.3×Iin=0.3×12.5=3.75A
d. Tính giá trị điện cảm (Inductance Value - L)
Sử dụng công thức tính điện cảm cho mạch boost :
L=Vin×Dfsw×ΔIL
Thay số:
L=24V×0.230,000Hz×3.75A=4.8112,500=42.67×10-6H
Vậy L ≈ 42.7 μH
Trong thực tế, bạn có thể chọn cuộn cảm có giá trị tiêu chuẩn là 47 μH . Khi đó, độ nhấp nhô dòng điện thực tế sẽ là:
ΔIL=Vin×Dfsw×L=24V×0.230,000Hz×47×10-6=4.81.41=3.4A
e. Tính dòng đỉnh qua cuộn cảm (Peak Current - I_peak)
Dòng đỉnh qua cuộn cảm được tính để chọn cuộn cảm không bị bão hòa :
Ipeak=Iin+ΔIL2=12.5+3.42=14.2A
Kết luận phần 1: Bạn cần chọn cuộn cảm có giá trị 47 μH, dòng bão hòa (saturation current) lớn hơn 14.2A (nên chọn > 15A để có dự phòng), và dòng RMS (Root Mean Square) lớn hơn dòng đầu vào 12.5A
1. Tính toán cuộn cảm (Inductor)
Để tính giá trị cuộn cảm, chúng ta cần thực hiện các bước sau:
a. Xác định chu kỳ nhiệm vụ (Duty Cycle - D)
Với mạch tăng áp lý tưởng, chu kỳ nhiệm vụ được tính theo công thức :
D=1-VinVout=1-24V30V=0.2
Vậy D = 0.2 (20%)
b. Tính dòng điện đầu vào trung bình (Input Current - Iin)
Bỏ qua tổn hao, công suất đầu vào bằng công suất đầu ra :
Pout=Vout×Iout=30V×10A=300W
Dòng điện đầu vào trung bình:
Iin=PoutVin=300W24V=12.5A
c. Chọn độ nhấp nhô dòng điện (Ripple Current - ΔI_L)
Thông thường, độ nhấp nhô dòng điện qua cuộn cảm được chọn trong khoảng 20-40% dòng điện đầu vào . Ở đây ta chọn mức 30% để cân bằng giữa kích thước cuộn cảm và dòng đỉnh.
ΔIL=0.3×Iin=0.3×12.5=3.75A
d. Tính giá trị điện cảm (Inductance Value - L)
Sử dụng công thức tính điện cảm cho mạch boost :
L=Vin×Dfsw×ΔIL
Thay số:
L=24V×0.230,000Hz×3.75A=4.8112,500=42.67×10-6H
Vậy L ≈ 42.7 μH
Trong thực tế, bạn có thể chọn cuộn cảm có giá trị tiêu chuẩn là 47 μH . Khi đó, độ nhấp nhô dòng điện thực tế sẽ là:
ΔIL=Vin×Dfsw×L=24V×0.230,000Hz×47×10-6=4.81.41=3.4A
e. Tính dòng đỉnh qua cuộn cảm (Peak Current - I_peak)
Dòng đỉnh qua cuộn cảm được tính để chọn cuộn cảm không bị bão hòa :
Ipeak=Iin+ΔIL2=12.5+3.42=14.2A
Kết luận phần 1: Bạn cần chọn cuộn cảm có giá trị 47 μH, dòng bão hòa (saturation current) lớn hơn 14.2A (nên chọn > 15A để có dự phòng), và dòng RMS (Root Mean Square) lớn hơn dòng đầu vào 12.5A .
