Thông báo
Collapse
No announcement yet.
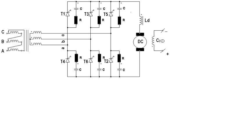
NguyÊn lÝ hoẠt ĐỘng cỦa chỈnh lƯu cẦu 3 pha dÙng thysistor
Collapse
X
Bài viết mới nhất
Collapse
-
Trả lời cho Giúp mình vẽ sơ đồ và phân tích nguyên lý làm việc của khảo sát các mạch nguồn ổn áp vớibởi davidcopyNgõ ra của IC 7806 là 6VDC, 7905 là -5VDC. Dòng điện ngõ ra của IC tối đa khoảng 1.5A, thông số này nên tra cứu datasheet từng loại sẽ chính xác hơn. Nếu gắn tải nhỏ làm dòng ngõ ra lớn hơn dòng tối đa(1.5A) thì điện áp ngõ ra sẽ giảm....
-
Channel: Hỗ trợ học tập
02-04-2026, 21:10 -
-
Trả lời cho Giúp mình vẽ sơ đồ và phân tích nguyên lý làm việc của khảo sát các mạch nguồn ổn áp vớibởi Tuyenvc345Cách tính U và I của từng nút sao anh
-
Channel: Hỗ trợ học tập
02-04-2026, 15:02 -
-
bởi chinhnguyen9
Nhìn ảnh sản phẩm đã thấy ấn tượng ngay bởi thiết kế tinh gọn, hiện đại, phần tản nhiệt rất đẹp, thông minh và bắt mắt. Mạch sạc MPPT tự chế của tôi đang hỏng, sửa mãi chưa xong vì lý do tổ trác! Vì vậy, tôi quyết định mua module này về dùng thử để xem chất lượng thực tế thế nào.
...-
Channel: Đánh giá sản phẩm DTVN
02-04-2026, 08:44 -
-
bởi ittcHic. Cảm ơn bác nha, chốt là em sẽ dùng camera IP POE và đầu ghi của hãng Hikvision, em có vào website quốc tế và vài website bán hàng uy tín ở VN thì hình như dòng camera gia đình nói chung em thấy họ để 4 chủng loại chính, em thì không dùng dòng Wifi nên gạt sang 1 bên, còn mấy dòng như:
- AcuSen
-
Channel: Tâm tình dân kỹ thuật
01-04-2026, 15:54 -
bởi nguyendinhvanCách ní nuận có vấn đề, không xát xao với quần chúng.
Nguồn điện lưới, lấy từ nhà máy phát điện có năng lượng hàng Mega, Gigawat, lớn hơn nhiều nhiều lần năng lượng của ắc quy. Nên bộ sạc ắc quy cần có một kiểu.
Nguồn...-
Channel: Đánh giá sản phẩm DTVN
31-03-2026, 22:19 -
-
Trả lời cho Giúp mình vẽ sơ đồ và phân tích nguyên lý làm việc của khảo sát các mạch nguồn ổn áp vớibởi davidcopyMạch 3 dùng để tạo ra nguồn đôi -/+( 5V, 6V, 9V, 12V, ...) nên ngõ ra biến áp cách ly thường là nguồn đối xứng.
Như trong mạch 3, ngõ ra biến áp là 9VAC đôi và 12VAC đôi. Khi đo 2 đầu 9V hoặc 12V thì điện áp sẽ là 18VAC hoặc 24VAC....-
Channel: Hỗ trợ học tập
31-03-2026, 19:20 -
-
Trả lời cho Giúp mình vẽ sơ đồ và phân tích nguyên lý làm việc của khảo sát các mạch nguồn ổn áp vớibởi Tuyenvc345Dạ mình muốn tìm hiểu nguyên lý của mạch 3 ạ đặc biệt là 2 con IC 7806 ở trên và 7905 ở dưới nhiệm vụ của nó làm ạ
-
Channel: Hỗ trợ học tập
30-03-2026, 15:34 -
-
bởi ittcChào các bác, sau thời gian tìm hiểu về máy khoan dùng cho gia đình thì em chốt được gần chục model máy như dưới đây, nhờ các bác tư vấn chốt hạ giúp em nên lấy con nào. Nhu cầu gia đình thì loanh quanh khoan lên sắt, vd sắt V sắt hộp, khoan...
-
Channel: Tâm tình dân kỹ thuật
30-03-2026, 07:37 -
-
bởi dinhthuong92Cần chờ một vài giây, thời gian trễ cho mạch tính toán đáp ứng đã bác. Mà phải hàng đắt tiền xíu mới thựcsu75 có MPPT, đa phần dối gạt. Ngay hãng khá lớn, chuyên là SRNE mà còn có 4 5 model nói láo!...
-
Channel: Đánh giá sản phẩm DTVN
30-03-2026, 05:32 -
. Thật lạ nha , trình bày theo ý Mình hiểu là được làm sao cứ phải máy móc
, không cần theo khuân mẫu nhất định mặc dù vẫn có phần mở bài , thân bài và kết luận

Comment