Thông báo
Collapse
No announcement yet.
cần giúp đỡ về câu lệnh CCS
Collapse
X
-
Cảnh báo : Điều kiện luôn sai.Nguyên văn bởi lyxa_bk Xem bài viếtmình có code như hình, mình thắc mắc là sao lại có cảnh báo câu lệnh lỗi. bạn nào biết lỗi ở chỗ nào không?? chỉ dumg mình với
câu lệnh này mà lỗi thì chướng trình chắc chắn không chạy
[ATTACH]82420[/ATTACH]
Warning : Condition always FALSE.
Cảnh báo xảy ra khi có cấu trúc rẽ nhánh if, while mà điều kiện của nó luôn sai. Khi đó đoạn lệnh này sẽ không bao giờ được thực thi.
Comment
-
bài toán của mình giờ đơn giản thế này!! mong mọi người giúp cho.
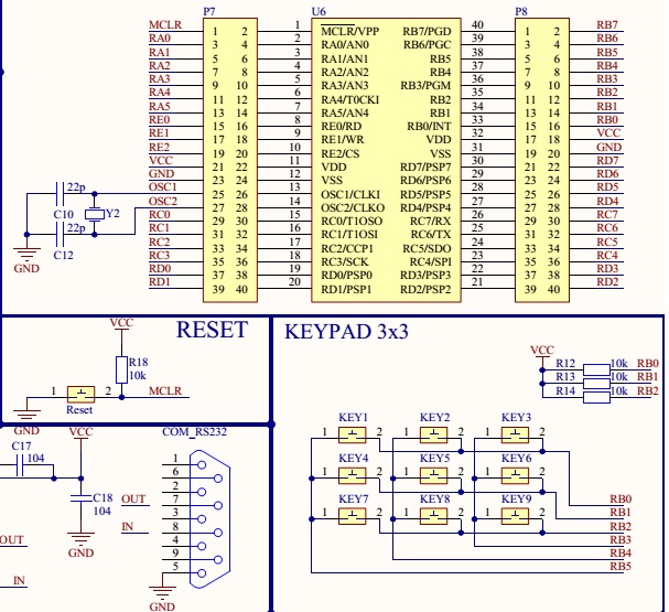
porB 3pin đầu dc treo qua điện trở 10K nối với VCC + và nối với 3 hàng, 3pin tiếp theo nối với 3 cột của bàn phím 3X3
mình muốn code sao cho khi nhấn 1 nút bất kỳ thì một trong 3 pin đầu về 0V, hiển thị lên LED.
#include <main.h>
#define row1 pin_b0
#define row2 pin_b1
#define row3 pin_b2
#define col1 pin_b3
#define col2 pin_b4
#define col3 pin_b5
const char m[10]={0xC0,0xF9,0xA4,0xB0,0x99,0x92,0x82,0xF8,0x80,0x9 0};
int nghin, tram, chuc, donvi;
int16 d;
void hienthiso(int c)
............
void main()
{
set_tris_b(0x07);// row1=row2=row3=1; col1=col2=col3=0
int a;
while(true)
{
if((pin_b0==0)|(pin_b1==0)|(pin_b2==0))a=30;
else a=10;
hienthiso(a);
delay_ms(1000);
}
}
chả hiểu mình code kiểu gì mà nó chỉ hiện a=10 mặc dù đã nhấn nút bàn phim, đo điện áp thì đúng khi có nhấn nút thì 1 trong các pin(0=>>2) băng 0V.
vậy tại sao?? nó phải hiển thị 30 khi nhấn 1 nút chứ??
Comment
-
Bạn nên phân biệt dấu "|" là để OR bit. Còn "||" là OR điều kiện.Nguyên văn bởi lyxa_bk Xem bài viếtbài toán của mình giờ đơn giản thế này!! mong mọi người giúp cho.
porB 3pin đầu dc treo qua điện trở 10K nối với VCC + và nối với 3 hàng, 3pin tiếp theo nối với 3 cột của bàn phím 3X3
mình muốn code sao cho khi nhấn 1 nút bất kỳ thì một trong 3 pin đầu về 0V, hiển thị lên LED.
#include <main.h>
#define row1 pin_b0
#define row2 pin_b1
#define row3 pin_b2
#define col1 pin_b3
#define col2 pin_b4
#define col3 pin_b5
const char m[10]={0xC0,0xF9,0xA4,0xB0,0x99,0x92,0x82,0xF8,0x80,0x9 0};
int nghin, tram, chuc, donvi;
int16 d;
void hienthiso(int c)
............
void main()
{
set_tris_b(0x07);// row1=row2=row3=1; col1=col2=col3=0
int a;
while(true)
{
if((pin_b0==0)|(pin_b1==0)|(pin_b2==0))a=30;
else a=10;
hienthiso(a);
delay_ms(1000);
}
}
chả hiểu mình code kiểu gì mà nó chỉ hiện a=10 mặc dù đã nhấn nút bàn phim, đo điện áp thì đúng khi có nhấn nút thì 1 trong các pin(0=>>2) băng 0V.
vậy tại sao?? nó phải hiển thị 30 khi nhấn 1 nút chứ??
Comment
-
if(input(pin_bo)==0 || input(pin_b1)==0 || input(pin_b2)==0)Nguyên văn bởi lyxa_bk Xem bài viếtcái này mình thử rồi nhưng cũng không phải
ai giúp được không??
{
.......
}
Comment
-
câu này có nghĩ là gì các bác nhỉ?Nguyên văn bởi lyxa_bk Xem bài viếtconst char m[10]={0xC0,0xF9,0xA4,0xB0,0x99,0x92,0x82,0xF8,0x80,0x9 0};
Comment
-
Khai báo mảng m với 10 phần tử giá trị đặt trước ( hằng số )Nguyên văn bởi my_nghe_an Xem bài viếtcâu này có nghĩ là gì các bác nhỉ?
ý nghĩa :
m[0] = 0xC0;
m[1] = 0xF9;
.............
m[8] = 0x80;
m[9] = 0x90;Module RF chuyên dụng điều khiển, truyền dữ liệu, thiết kế đề tài, dự án điện tử - chuyển giao công nghệ... ĐT: 0904964977 - email: dientuqueduong@yahoo.com
Comment
-
cám ơn anh nhiều, em muốn hỏi thêm cái nữa là em đang muốn đọc nhiệt độ từ cảm biến DS18B20 hiện thị lên virtual terminalNguyên văn bởi queduong Xem bài viếtKhai báo mảng m với 10 phần tử giá trị đặt trước ( hằng số )
ý nghĩa :
m[0] = 0xC0;
m[1] = 0xF9;
.............
m[8] = 0x80;
m[9] = 0x90;
em tìm được cái này, đây là chương trình :
người ta viết bằng ccs với pic 16f887a
#include <main.h>
#include "1wire/1wire.c"
#include "ds18b20/ds18b20.c"
uint16_t count_t0=0;
uint8_t str[20];
#INT_RTCC
void ngat_tran() // Sau 1s thi cap nhat nhiet do len PC
{
count_t0++;
if(count_t0==4883)
{
count_t0=0;
puts(str); // Truyen gai tri nhiet do do duoc len PC
}
}
void main()
{
float Temp;
DDRA=0x00;
DDRC=0x82;
DDRD=0x00;
DDRE=0x00;
enable_interrupts(INT_TIMER0); // Cho phep ngat tran TIMER0
enable_interrupts(GLOBAL); // Cho phep ngat toan cuc
setup_timer_0(RTCC_INTERNAL|RTCC_DIV_4); // Cau hinh bo chia cho TIMER0
set_timer0(0x00); // Cau hinh gia tri cho thanh ghi TMR0
while(TRUE)
{
Temp=ds18b20_read();
sprintf(str,"Nhiet Do = %3.1f",Temp);
}
}
em có vài câu hỏi muốn hỏi, trong chương trình này: nếu không dùng timer có đọc được không? em thử rồi mà không được, nếu bỏ thì không đọc được,
thứ 2 là: nếu em đổi chân dữ liệu đưa từ DS18B20 vào chíp thành DDRE = 0x81 chẳng hạn
tức là chân nhận dữ liệu là chân RC0 thì sau khi đổi chân trong mô phỏng sao nó vẫn không đọc nhỉ? phải chăng là chỉ đọc được mỗi chân RC1 thôi ak?
một câu hỏi nữa là: vẫn dùng DDR(PORT) giống như avr để khai báo thay cho set_tris_port được ak các anh? với lại em thấy cái hàm *void ngat_tran* được định nghĩa ở trên sao ở trong chương trình chính không thấy gọi nhỉ?
vài câu hỏi thắc mắc mong nhận được câu trả lời, xin cám ơn
đây là link đầy đủ:
BÀI 5: ĐO NHIỆT ĐỘ VỚI DS18B20, GIÁ TRỊ ĐƯỢC TRUYỀN LÊN PC QUA RS232 | Diễn Đàn Vi Điều Khiển
Comment
-
cám ơn anh nhiều, em muốn hỏi thêm cái nữa là em đang muốn đọc nhiệt độ từ cảm biến DS18B20 hiện thị lên virtual terminalNguyên văn bởi queduong Xem bài viếtKhai báo mảng m với 10 phần tử giá trị đặt trước ( hằng số )
ý nghĩa :
m[0] = 0xC0;
m[1] = 0xF9;
.............
m[8] = 0x80;
m[9] = 0x90;
em tìm được cái này, đây là chương trình :
người ta viết bằng ccs với pic 16f887a
#include <main.h>
#include "1wire/1wire.c"
#include "ds18b20/ds18b20.c"
uint16_t count_t0=0;
uint8_t str[20];
#INT_RTCC
void ngat_tran() // Sau 1s thi cap nhat nhiet do len PC
{
count_t0++;
if(count_t0==4883)
{
count_t0=0;
puts(str); // Truyen gai tri nhiet do do duoc len PC
}
}
void main()
{
float Temp;
DDRA=0x00;
DDRC=0x82;
DDRD=0x00;
DDRE=0x00;
enable_interrupts(INT_TIMER0); // Cho phep ngat tran TIMER0
enable_interrupts(GLOBAL); // Cho phep ngat toan cuc
setup_timer_0(RTCC_INTERNAL|RTCC_DIV_4); // Cau hinh bo chia cho TIMER0
set_timer0(0x00); // Cau hinh gia tri cho thanh ghi TMR0
while(TRUE)
{
Temp=ds18b20_read();
sprintf(str,"Nhiet Do = %3.1f",Temp);
}
}
em có vài câu hỏi muốn hỏi, trong chương trình này: nếu không dùng timer có đọc được không? em thử rồi mà không được, nếu bỏ thì không đọc được,
thứ 2 là: nếu em đổi chân dữ liệu đưa từ DS18B20 vào chíp thành DDRE = 0x81 chẳng hạn
tức là chân nhận dữ liệu là chân RC0 thì sau khi đổi chân trong mô phỏng sao nó vẫn không đọc nhỉ? phải chăng là chỉ đọc được mỗi chân RC1 thôi ak?
một câu hỏi nữa là: vẫn dùng DDR(PORT) giống như avr để khai báo thay cho set_tris_port được ak các anh? với lại em thấy cái hàm *void ngat_tran* được định nghĩa ở trên sao ở trong chương trình chính không thấy gọi nhỉ?
vài câu hỏi thắc mắc mong nhận được câu trả lời, xin cám ơn
đây là link đầy đủ:
BÀI 5: ĐO NHIỆT ĐỘ VỚI DS18B20, GIÁ TRỊ ĐƯỢC TRUYỀN LÊN PC QUA RS232 | Diễn Đàn Vi Điều Khiển
Comment
-
DDRE ===> Là ở port E chứ có liên quan gì đến PORT C ( RC0 )Nguyên văn bởi my_nghe_an Xem bài viếtcám ơn anh nhiều, em muốn hỏi thêm cái nữa là em đang muốn đọc nhiệt độ từ cảm biến DS18B20 hiện thị lên virtual terminal
em tìm được cái này, đây là chương trình :
người ta viết bằng ccs với pic 16f887a
#include <main.h>
#include "1wire/1wire.c"
#include "ds18b20/ds18b20.c"
uint16_t count_t0=0;
uint8_t str[20];
#INT_RTCC
void ngat_tran() // Sau 1s thi cap nhat nhiet do len PC
{
count_t0++;
if(count_t0==4883)
{
count_t0=0;
puts(str); // Truyen gai tri nhiet do do duoc len PC
}
}
void main()
{
float Temp;
DDRA=0x00;
DDRC=0x82;
DDRD=0x00;
DDRE=0x00;
enable_interrupts(INT_TIMER0); // Cho phep ngat tran TIMER0
enable_interrupts(GLOBAL); // Cho phep ngat toan cuc
setup_timer_0(RTCC_INTERNAL|RTCC_DIV_4); // Cau hinh bo chia cho TIMER0
set_timer0(0x00); // Cau hinh gia tri cho thanh ghi TMR0
while(TRUE)
{
Temp=ds18b20_read();
sprintf(str,"Nhiet Do = %3.1f",Temp);
}
}
em có vài câu hỏi muốn hỏi, trong chương trình này: nếu không dùng timer có đọc được không? em thử rồi mà không được, nếu bỏ thì không đọc được,
thứ 2 là: nếu em đổi chân dữ liệu đưa từ DS18B20 vào chíp thành DDRE = 0x81 chẳng hạn
tức là chân nhận dữ liệu là chân RC0 thì sau khi đổi chân trong mô phỏng sao nó vẫn không đọc nhỉ? phải chăng là chỉ đọc được mỗi chân RC1 thôi ak?
một câu hỏi nữa là: vẫn dùng DDR(PORT) giống như avr để khai báo thay cho set_tris_port được ak các anh? với lại em thấy cái hàm *void ngat_tran* được định nghĩa ở trên sao ở trong chương trình chính không thấy gọi nhỉ?
vài câu hỏi thắc mắc mong nhận được câu trả lời, xin cám ơn
đây là link đầy đủ:
BÀI 5: ĐO NHIỆT ĐỘ VỚI DS18B20, GIÁ TRỊ ĐƯỢC TRUYỀN LÊN PC QUA RS232 | Diễn Đàn Vi Điều Khiển
--- Muốn đọc vào chân RC0 ( bạn xem ở trong thư viện ( file ) ds18b20.c , 1wire.c xem trong đó nó dùng chân nào ... thì sửa trong đó )
Set tris hay DDR phụ thuộc vào cái trình dịch quy định ( Thông thường với PIC ... hay dùng SET tris ) ... Các câu lệnh đều có ý nghĩa như nhau ( đó là tác động để dùng 1 chân nào đó làm chân vào Hay Ra ) ... PIC thì input giá trị 1 , output giá trị 0
--- Không dùng ngắt thì dùng delay ... mục đích của cái ngắt timer để cập nhật 1 giây 1 lần
while(TRUE)
{
Temp=ds18b20_read();
sprintf(str,"Nhiet Do = %3.1f",Temp);
_delay_ms(1000); trễ 1 giây
puts(str); // Truyen gai tri nhiet do do duoc len PC
}
--- Bạn xóa hết chương trình trong ngắt đi ... mà xóa luôn cả cái dòng màu đỏ ( cái này để truyền dữ liệu lên ) ... khi xóa hết đi thì ... nó không truyền là phải thôi , Kêu gì nữa !
--- Ngắt chẳng cần gọi hàm ... Khi nào xảy ra ngắt CPU sẽ tự động lôi cái hàm đó ra . ( Ở trên là ngắt timer ... CPU cứ cấp xung , bao giờ tràn timer thì xảy ra ngắt ... Xảy ra ngắt thì tự chui vào hàm ngắt thôi .Module RF chuyên dụng điều khiển, truyền dữ liệu, thiết kế đề tài, dự án điện tử - chuyển giao công nghệ... ĐT: 0904964977 - email: dientuqueduong@yahoo.com
Comment
Bài viết mới nhất
Collapse
-
Trả lời cho cách làm led Hao Quang.có pro nào biết k nhỉ ???bởi StatusHello! I'm from Kazakhstan. Can anyone share the HEX file with me? The download link in post 50 doesn't work.
-
Channel: Vi điều khiển họ 8051
hôm nay, 00:05 -
-
bởi mylinhattChào anh em cơ khí,
Trong quá trình tư vấn đầu tư thiết bị cho xưởng, mình gặp rất nhiều câu hỏi kiểu: “Nên mua máy phay CNC cũ để tiết kiệm, chọn máy mới phổ thông cho yên tâm, hay cố gắng lên máy chất lượng cao để làm hàng khó?”. Thực tế, đây không phải câu hỏi chỉ về...-
Channel: Máy công cụ
Hôm qua, 13:38 -
-
bởi torasungChào anh em,
Mình đang tìm hiểu và cấu hình một con biến tần Delta model VFD037E43A dùng cho động cơ công suất nhỏ, ứng dụng băng tải và quạt. Trước đây mình chủ yếu làm với vài dòng khác của Delta nhưng chưa dùng nhiều model này, nên muốn...-
Channel: Điện tử công nghiệp
16-12-2025, 09:13 -
-
Trả lời cho Vấn đề về tốc độ quaybởi nguyendinhvanSử dụng động cơ servor, hoặc lắp thêm một cái encoder vào động cơ bước. Encoder sẽ kiểm soát động cơ có quay hoặc đứng im.
-
Channel: Điện tử truyền hình
14-12-2025, 19:50 -
-
bởi Andrea14Chào mọi người,
Tôi muốn mô phỏng sự thay đổi các mùa bằng cách từ từ nghiêng một quả địa cầu 16 inch bằng một động cơ bước nhỏ. Một động cơ bước khác sẽ quay quả địa cầu theo thời gian thực. Hệ thống truyền động...-
Channel: Điện tử truyền hình
12-12-2025, 12:42 -

Comment