mạch chống rò điện ...
Khi có dòng điện rò thì một trường điện từ xuất hiện, tuy bé nhưng vẫn có thể phát hiện được bằng mạch khuếch đại tổng trở cao dùng transistor trường.
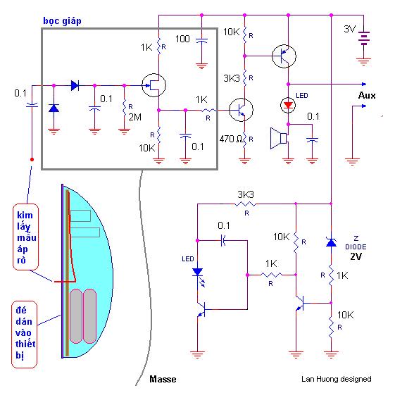
Mạch dưới đây đã được Lan Hương thực hiện trong vỏ của chuột quang loại bé nhất.

Đầu vào của mạch là một kim sắc, xuyên từ bo mạch xuống đáy vỏ chuột quang, điện áp rò nếu có sẽ được nắn nhân đôi điện áp đưa vào gate transistor trường. Dòng ra sẽ được hệ darlington khuếch đại và hiển thị bằng Led đỏ và còi chỉ báo. Điện áp chỉ báo được đưa ra mạch Aux (Auxiliary) để được xử lý tiếp ở một bộ phận khác (cúp điện, báo động v.v...).
Masse của mạch là masse "lửng lơ", nghĩa là có thể ghép vào đâu đó gần đất mà không cần tiếp xúc chặt. Sở dĩ dùng như vậy là do tổng trở ngõ vào rất lớn. Điện áp rò quá 30 V là đã bào động inh ỏi rồi.
Mạch dùng điện áp độc lập gồm 2 pin nút áo, tồng điện áp 4VDC để tránh mất điện áp nguồn AC gây ảnh hưởng đến hoạt động của nó. Vì vậy còn có mạch báo hết pin với Zenner 2V. Khi điện áp pin dưới 2,5 V thì Led sẽ báo để chúng ta thay pin. Theo lý thuyết thì với trạng thái "chờ", pin sử dụng được 6 tháng.
Mạch được thiết kế theo yêu cầu của một CTy Đài Loan.
Thân ái.
Lan Hương.
Nguyên văn bởi dunght163
Xem bài viết
Mạch dưới đây đã được Lan Hương thực hiện trong vỏ của chuột quang loại bé nhất.
Đầu vào của mạch là một kim sắc, xuyên từ bo mạch xuống đáy vỏ chuột quang, điện áp rò nếu có sẽ được nắn nhân đôi điện áp đưa vào gate transistor trường. Dòng ra sẽ được hệ darlington khuếch đại và hiển thị bằng Led đỏ và còi chỉ báo. Điện áp chỉ báo được đưa ra mạch Aux (Auxiliary) để được xử lý tiếp ở một bộ phận khác (cúp điện, báo động v.v...).
Masse của mạch là masse "lửng lơ", nghĩa là có thể ghép vào đâu đó gần đất mà không cần tiếp xúc chặt. Sở dĩ dùng như vậy là do tổng trở ngõ vào rất lớn. Điện áp rò quá 30 V là đã bào động inh ỏi rồi.
Mạch dùng điện áp độc lập gồm 2 pin nút áo, tồng điện áp 4VDC để tránh mất điện áp nguồn AC gây ảnh hưởng đến hoạt động của nó. Vì vậy còn có mạch báo hết pin với Zenner 2V. Khi điện áp pin dưới 2,5 V thì Led sẽ báo để chúng ta thay pin. Theo lý thuyết thì với trạng thái "chờ", pin sử dụng được 6 tháng.
Mạch được thiết kế theo yêu cầu của một CTy Đài Loan.
Thân ái.
Lan Hương.

Comment