Các bác cho em xin cách tính công suất và cách tính vòng dây cho biến áp xung với. Tình hình là em đang quấn biến áp xung 1x1cm đễ kích 12v lên thắp bóng tuýp 60 nhưng search trên mạng thì rất nhiều mạch nhưng khi quấn thì cuộn dây và sò rất nóng. Mong các bác ra tay giúp đỡ! Em quấn theo kiểu lấy xung hồi tiếp từ biền áp cấp cho 2 trans ạ.
Thông báo
Collapse
No announcement yet.
Hỏi công thức tính vòng dây cho biến áp xung!!!
Collapse
X
-
1004 ơi,ráp theo mạch của LAN HƯƠNG là được rồi.Nguyên văn bởi elec1004 Xem bài viếtCác bác cho em xin ý kiến với!
lâu nay chưa tìm được mạch nào ưng ý sao?
còng nóng thì thay còng có dòng [amper] lớn hơn là được
cuộn dây nóng coi chừng bị chập nhẹ các vòng dây làm cho còng mau nóng.
-cho tôi xem sơ đồ và số liệu coi có giúp gì được kôg.
- 1 like
Comment
-
Em cảm ơn bác manhnha! Giờ em muốn làm mạch sạc điện thoại dùng 12v kích lên 220v khoảng 10w, dùng biến áp xung 1cm x 1cm, 2 tran D882. Em nghĩ dùng biến áp xung thì mạch sẽ gọn hơn ạ! Em quấn 2 cuộn sơ:30 vòng dây 0,1mm x 2 ; 1 cuộn hồi tiếp 60 vòng dây ; cuộn thứ 550 vòng dây 0,1mm.
2 dây của cuộn hồi tiếp em cho vào 2 chân B của trans rồi từ 2 chân B của 2 trans nối lên (+) nguồn 12v bằng 2 trở 1k5.
Còn 2 cuộn sơ cấp nối 2 đầu vào 2 chân C của 2 trans, 2 đầu còn lại nối lên (+) 12v. 2 chân E nối mass.
Em không post sơ đồ lên được vì đang xài mobi. Mong bác thông cảm! Thank
Comment
-
Bạn nên post sơ đồ lên để mọi người nhìn vào góp ý, điện tử cũng như cơ khí, phải nói chuyện bằng bản vẽ, không thể nói bằng lời được.Nguyên văn bởi elec1004 Xem bài viếtEm cảm ơn bác manhnha! Giờ em muốn làm mạch sạc điện thoại dùng 12v kích lên 220v khoảng 10w, dùng biến áp xung 1cm x 1cm, 2 tran D882. Em nghĩ dùng biến áp xung thì mạch sẽ gọn hơn ạ! Em quấn 2 cuộn sơ:30 vòng dây 0,1mm x 2 ; 1 cuộn hồi tiếp 60 vòng dây ; cuộn thứ 550 vòng dây 0,1mm.
2 dây của cuộn hồi tiếp em cho vào 2 chân B của trans rồi từ 2 chân B của 2 trans nối lên (+) nguồn 12v bằng 2 trở 1k5.
Còn 2 cuộn sơ cấp nối 2 đầu vào 2 chân C của 2 trans, 2 đầu còn lại nối lên (+) 12v. 2 chân E nối mass.
Em không post sơ đồ lên được vì đang xài mobi. Mong bác thông cảm! Thank
Comment
-
Em không có máy tính bác à. Mạng internet thì hơi xa. Mong các bác thông cảm! Chắc phải ra tiệm net 1 bữa mới được. Các bác đợi em phátNguyên văn bởi DTTH Xem bài viếtBạn nên post sơ đồ lên để mọi người nhìn vào góp ý, điện tử cũng như cơ khí, phải nói chuyện bằng bản vẽ, không thể nói bằng lời được.
Comment
-
đâu có ferit cở 25mmx20mmx5mm,có nhầm lẩn kôg.Nguyên văn bởi elec1004 Xem bài viếtCác bác giúp em mạch này nhé! biến áp xung 25mmx20mmx5mm, các bác giúp em tính vòng dây hoặc cho em công thức được không ạ?
Comment
-
Lõi chừ E mà anh. Em lấy từ mạch đèn chữ U hư ạ.Nguyên văn bởi manhnha11 Xem bài viếtđâu có ferit cở 25mmx20mmx5mm,có nhầm lẩn kôg.
Comment
-
cho biết cạnh x cạnh [diện tích lỏi là được rồi]Nguyên văn bởi elec1004 Xem bài viếtLõi chừ E mà anh. Em lấy từ mạch đèn chữ U hư ạ.
Comment
-
Em dùng lõi 5cm2 ạ! Em quấn đầu vào 30 vòng x2 rùi mà trans vẫn rất nóng. Mang các bác bác giúp đỡ em với. Thank!!!Nguyên văn bởi manhnha11 Xem bài viếtcho biết cạnh x cạnh [diện tích lỏi là được rồi]
Comment
-
với lỏi 25mmx20mmx5mm tính ra diện tích lỏi = 5cm2 [25mmx20mm],suy ra cạnh đứng chỉ có 5mm,làm gì có lỏi nầy.Nguyên văn bởi elec1004 Xem bài viếtEm dùng lõi 5cm2 ạ! Em quấn đầu vào 30 vòng x2 rùi mà trans vẫn rất nóng. Mang các bác bác giúp đỡ em với. Thank!!!
với lỏi 5cm2 thì công xuất tầm cở 100w,mà bạn yêu cầu chỉ có 10w như ở trên.
hảy cho thông số chính xác như :điện áp đầu vào ,điện áp đầu ra ,công xuất VA ,diện tích lỏi ferit.tôi sẻ tính số liệu cuộn dây.
Comment
-
cuộn chủ mà quấn dây 0,1mm là quá nhỏ [cuộn dây vào chân C] , nóng cuộn dây là đúng rồi.Nguyên văn bởi elec1004 Xem bài viếtEm cảm ơn bác manhnha! Giờ em muốn làm mạch sạc điện thoại dùng 12v kích lên 220v khoảng 10w, dùng biến áp xung 1cm x 1cm, 2 tran D882. Em nghĩ dùng biến áp xung thì mạch sẽ gọn hơn ạ! Em quấn 2 cuộn sơ:30 vòng dây 0,1mm x 2 ; 1 cuộn hồi tiếp 60 vòng dây ; cuộn thứ 550 vòng dây 0,1mm.
2 dây của cuộn hồi tiếp em cho vào 2 chân B của trans rồi từ 2 chân B của 2 trans nối lên (+) nguồn 12v bằng 2 trở 1k5.
Còn 2 cuộn sơ cấp nối 2 đầu vào 2 chân C của 2 trans, 2 đầu còn lại nối lên (+) 12v. 2 chân E nối mass.
Em không post sơ đồ lên được vì đang xài mobi. Mong bác thông cảm! Thank
Comment
-
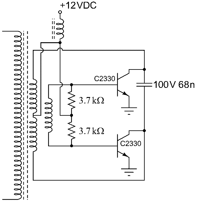
Em muốn chạy như sơ đồ trên. Công suất ra khoảng 10w, 220v. Điện áp đầu vào 12v (dùng acquy xe máy). Biến áp em để ngoài nhà nên không biết thông số chính xác, mong a thông cảm. Em đang ở fòng trọ nên đang dùng lõi 1x1mm. Anh cố gắng tính giúp em với. Hoặc có công thức thì cho em xin cũng được. Hj, làm phiền a quá nhiều rồi. Thanks you!!!!!
Comment
Bài viết mới nhất
Collapse
-
Trả lời cho Giúp mình vẽ sơ đồ và phân tích nguyên lý làm việc của khảo sát các mạch nguồn ổn áp vớibởi davidcopyBạn muốn hỏi nguyên lý làm việc của mạch nào...
-
Channel: Hỗ trợ học tập
hôm nay, 22:50 -
-
Trả lời cho Giúp mình vẽ sơ đồ và phân tích nguyên lý làm việc của khảo sát các mạch nguồn ổn áp vớibởi N_Tu_Hoc_HoiBạn cần sơ đồ mạch ổn áp bao nhiêu Volt, Nếu giống anh bạn guiwr có khả năng ổn áp dùng iC họ 78XX, 79XX. Những mạch này bạn tim kiếm trên google sẽ thấy!!
-
Channel: Hỗ trợ học tập
Hôm qua, 02:32 -
-
bởi chinhnguyen9
Điến âp vào 24V;Điên áp ra 30V;Dòng điện ra 10A
Trên nền tảng mạch Boost thay đổi như sau: cự âm tụ lọc C không nối mas mà nối vào Vc +24V
Mach phản hồi tao điê áp trên tụ lọc này ổn đinh ở 6V
Kết quả:
· Điện áp ra =24V+ 6V=30V
· Công...-
Channel: Hướng dẫn sử dụng diễn đàn
21-03-2026, 19:33 -
-
bởi chinhnguyen92. Các yếu tố để dòng điện đầu ra không bị "thiếu"
Dòng điện đầu ra bị "thiếu" có thể hiểu là không đủ 10A theo yêu cầu hoặc bị sụt áp khi tải thay đổi. Để đảm bảo điều này, bạn cần xem xét các yếu tố sau:
a. Khả năng chịu dòng của cuộn cảm- Dòng bão hòa (I_sat): Như
-
Channel: Hướng dẫn sử dụng diễn đàn
21-03-2026, 19:06 -
bởi chinhnguyen9
1. Tính toán cuộn cảm (Inductor)
Để tính giá trị cuộn cảm, chúng ta cần thực hiện các bước sau:
a. Xác định chu kỳ nhiệm vụ (Duty Cycle - D)
Với mạch tăng áp lý tưởng, chu kỳ nhiệm vụ được tính theo công thức :
D=1-VinVout=1-24V30V=0.2
Vậy D = 0.2 (20%)
b....-
Channel: Hướng dẫn sử dụng diễn đàn
21-03-2026, 19:03 -
-
bởi chinhnguyen9Công thức
Gain (dB) = 20 × log₁₀(A)
Thí dụ 1; 60dB
log₁₀(A)=60/20=3
⇒ A=V_out / V_in = 10³ = 1.000
Thí dụ 2; 100dB
log₁₀(A)=100/20=5
⇒ A=V_out / V_in = 105 = 100.000
Tí dụ 3; LM 358
Large Signal Open Loop Voltage Gain AVOL V/mV RL = 2.0...-
Channel: Hướng dẫn sử dụng diễn đàn
19-03-2026, 08:44 -
-
Trả lời cho Mạch 3s bị giảm điện áp đầu rabởi minhtri0405chả biết bạn xử lý được chưa , kích sạc hoặc điện áp > điện áp khối pin vào 2 chân P - P+ , nhiều mạch phải yêu cầu có kích lần đầu sau đó mới chạy...
-
Channel: Điện tử dành cho người mới bắt đầu
18-03-2026, 10:01 -
-
bởi minhtri0405đây có phải là 1 cách để test mosfet xịn hay dỏm khi mua đồ tàu không nhỉ , vì ko thể đập ra để coi lõi rồi trả hàng được....
-
Channel: Tâm tình dân kỹ thuật
18-03-2026, 09:57 -
-
Trả lời cho Giúp mình vẽ sơ đồ và phân tích nguyên lý làm việc của khảo sát các mạch nguồn ổn áp vớibởi Tuyenvc345
-
Channel: Hỗ trợ học tập
16-03-2026, 18:05 -

Comment