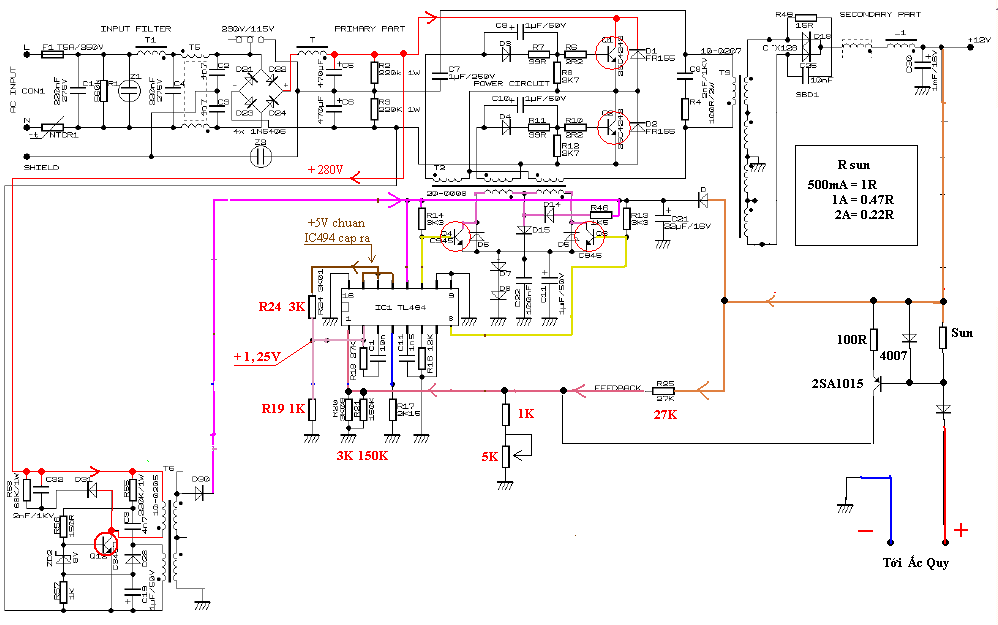
Rỗi rãi mình ngồi nghịch nguồn ATX vậy .
Bộ nguồn của mình sử dụng để nghịch là loại ATX có xuất xứ từ Tung của nên cũng đơn giản gọn nhẹ .
Nguyên lý của nó như thế này
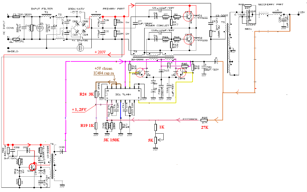
Bộ nguồn của mình sử dụng để nghịch là loại ATX có xuất xứ từ Tung của nên cũng đơn giản gọn nhẹ .
Nguyên lý của nó như thế này


Comment