Thông báo

Collapse
No announcement yet.

Lắp mạch âm thanh sử dụng IC TDA 2822

Collapse
This is a sticky topic.
X
X
 
  • Lọc
  • Giờ
  • Show
Clear All
new posts

  • #46
    có cách nào cắt hẳn mạch radio có con 2822 ra (bỏ tính hiệu radio nối dây ra tính hiệu nhạc) là nó hát dựoc liền hong các bác ...mình có cái đài radio có con 2822 mà không biết cắt bỏ tính hiệu radio chổ nào để thế tính hiệu nhạc zo cả ........các bác giúp mình với(vừa tiện lợi vừa khỏi mất công lắp mạch)

    Comment


    • #47
      Nguyên văn bởi bita Xem bài viết
      có cách nào cắt hẳn mạch radio có con 2822 ra (bỏ tính hiệu radio nối dây ra tính hiệu nhạc) là nó hát dựoc liền hong các bác ...mình có cái đài radio có con 2822 mà không biết cắt bỏ tính hiệu radio chổ nào để thế tính hiệu nhạc zo cả ........các bác giúp mình với(vừa tiện lợi vừa khỏi mất công lắp mạch)
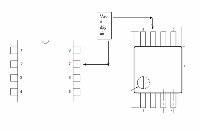
      Nó nằm ở vị trí như hình dưới ấy!
      Attached Files

      Comment


      • #48
        bác làm như thế thì chỉ nghe mô nô thôi. nghe vậy chán bỏ xừ. Tiếng thì bé. => Bạn lắp thành stereo => con này chỉ chơi với tai nghe thôi.
        Last edited by nongdanfo; 03-11-2009, 20:45. Lý do: bi bi
        Nhiễu điều phủ lấy giá gương
        Người trong một nước phải thương nhau cùng

        Comment


        • #49
          bác thanhnam trả lời giúp mình như thế thiệt là hết nói .......mình biết con 2822 có 8 chân nhưng mà cắt cả mạch có r và tụ luôn ...lấy ra chỉ việc hàn nguồn ,loa ,và đầu thu tính hiệu thôi cho tiện khỏi lắp lại mất công .....giờ đã hiểu chưa

          Comment


          • #50
            Nguyên văn bởi bita Xem bài viết
            bác thanhnam trả lời giúp mình như thế thiệt là hết nói .......mình biết con 2822 có 8 chân nhưng mà cắt cả mạch có r và tụ luôn ...lấy ra chỉ việc hàn nguồn ,loa ,và đầu thu tính hiệu thôi cho tiện khỏi lắp lại mất công .....giờ đã hiểu chưa
            Ồ ra thế đấy!Vậy mà tôi cứ tưởng...
            Thế thì cứ men theo đường mạch mà cắttho6ii, cắt bằng cưa tay ấy.

            Comment


            • #51
              trả lời góp vui

              Nguyên văn bởi aloneman Xem bài viết
              tín hiệu em lấy từ đt hay máy mp3 nghe rất hay.nhưng lấy từ máy tính thì lại rè kinh khủng.mấy pác giải thích hộ em nhé và cách khắc phục như thế nào.bác duong nói"do nối mass chưa tốt "em chưa hiểu lắm
              bạn thử giảm âm lượng của chương trình nghe nhạc trên máy tính lại xíu xem sao.
              |

              Comment


              • #52
                TDA2822 mua hàng đểu nhiều quá, có em thì rè, có em thì kêu cực nhỏ. Em thay bằng KA209 chạy rất tốt. Sơ đồ chân giống y 2822, không cần chỉnh sửa gì.

                Comment


                • #53
                  KA2209 sorry các bác

                  Comment


                  • #54
                    em làm cái này rùi! e lấy mạch của casset, loa TV làm thêm mấy phụ tùng nữa, đc cái loa cực xịn, 4 cục pin đt nghe hơn nửa ngày (nếu nghe liên tục) còn như e nghe ít ít thì 1 tuần sạc 1 lần (chế sạc NOKIA)! loa TV nên mạng mềm nghe lớn mà rất hay! hình dạng cái loa của e đây, các pác chiêm ngưỡng và cho nhận xét.. (e upload ảnh ko dc, seo kỳ zậy ta!!!!)

                    Comment


                    • #55
                      các mạch này lắp khá khó đấy có điều khiển được độ tô nhỏ không
                      Mãi mãi vì điện tử

                      Comment


                      • #56
                        cái mạch này cũng hay nhưng có thể lắp thêm bass được không ai có mạch bass thì đưa lên cho mội người xem với
                        Mãi mãi vì điện tử

                        Comment


                        • #57
                          tất nhiên là chỉnh đc độ to nhỏ chứ. còn mạch bass, treble thì cũng ko cần thiết lắm vì loa mini mà. nếu có làm thì chỉ làm mạch bass treble thụ động thui chứ làm mạch cấp nguồn vừa cồng kềnh vừa hao pin!!!

                          Comment


                          • #58
                            em up lại thử mấy cái hình mà ko đc. mấy pác cho em hỏi diễn đàn bị lỗi hay do em up sai vậy mấy pác. có ai chỉ e với. hùi trc e có up dc mà!!
                            Last edited by 0976; 18-12-2009, 17:27.

                            Comment


                            • #59
                              Mh dang lam mach tang am cua com tda2822 nhung no hoi bi ù. mong cac ban chi giùm cachgiai quyet

                              Comment


                              • #60
                                Các bác cho em hỏi là ở Hà Nội thì có thể mua được TDA2822 ở đâu ạ? Em vừa gọi điện lên Hàn Thuyên thấy bảo không có con này.

                                Nếu không nhờ các bác tư vấn cho em 1 đôi đèn thuận nghịch để em lắp tầng công suất đẩy kéo cũng được. Cỡ đèn dùng vỏ TO-220 hoặc nhỏ hơn là đủ rồi vì tầng công suất em chỉ dùng khoảng 5W. Sơ đồ thì rất sẵn, nhưng mà linh kiện ở Hà Nội không biết loại đèn nào có sẵn loại nào không có trên thị trường nên cứ phải hỏi trước.

                                Xin cảm ơn các bác!

                                Comment

                                Về tác giả

                                Collapse

                                nndt280491 Tìm hiểu thêm về nndt280491

                                Bài viết mới nhất

                                Collapse

                                Đang tải...
                                X