Xin chào mọi người,
Mình đang cần tìm một cái relay, giống như cục chớp của đèn xi nhan xe máy, nhưng dùng điện 220VAC.
Mình đã lang thang tìm trên mạng nhưng thật sự là không thấy ở đâu có cả.
Một cái gì đó giống như hình, anh em nào biết thì chỉ mình với nhé.
Cảm ơn mọi người.
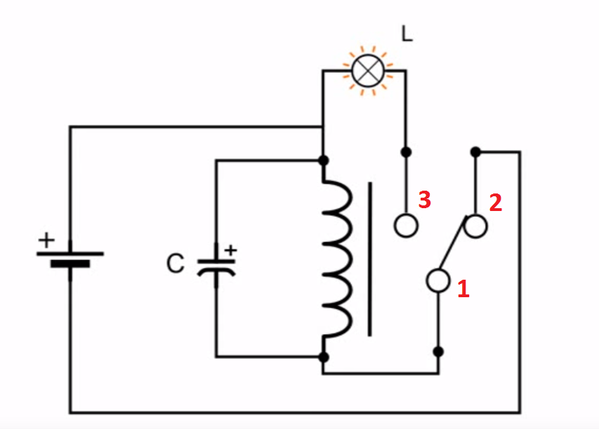
Mình đang cần tìm một cái relay, giống như cục chớp của đèn xi nhan xe máy, nhưng dùng điện 220VAC.
Mình đã lang thang tìm trên mạng nhưng thật sự là không thấy ở đâu có cả.
Một cái gì đó giống như hình, anh em nào biết thì chỉ mình với nhé.
Cảm ơn mọi người.

Comment