Thông báo
Collapse
No announcement yet.
Cần mọi người giúp đỡ mạch thu đài FM dùng IC TA2003
Collapse
X
-
Người ta cũng lắp bằng TA2003 mà ông !Nguyên văn bởi nhockboy Xem bài viếtèo............ con này đâu phải TDA2003................. con này là TA2003P mà. hay CD2003P. ông ráp TDA2003 thì lấy đâu ra 11 chân nữa để bù vào?
Module RF chuyên dụng điều khiển, truyền dữ liệu, thiết kế đề tài, dự án điện tử - chuyển giao công nghệ... ĐT: 0904964977 - email: dientuqueduong@yahoo.com
Comment
-
Thôi sai rồi chịu khó sửa đi ! người ta post bài TA 2003 "cụ" ơi .Nguyên văn bởi nhockboy Xem bài viếtý anh quế dương nói là thu tín hiệu AM, tách sóng r khuếch đại lên chứ cóc cần mấy thứ lu bu khác à? nhưng Đ/C ở trên post CD2003 mà.
Comment
-
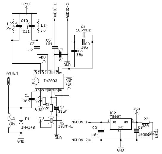
Theo mình bạn lên kiếm một cái radio hong. Sau đó lấy chính linh kiện của nó để lắp mạch. Đặc biệt là các tụ điện và cuộn dây. Mạch này lắp chạy không khó, nhưng cái khó là chỉnh cho đúng giải tần FM như các đài thông dụng và sao cho đạt được độ nhạy cao. Bạn nên kiếm thêm một cái radio khác vẫn chạy để làm so sánh. Chúc bạn thành công.Nguyên văn bởi thanhhaudt33 Xem bài viếtTình hình mình đang nhận 1 cái đồ án về mạch thu đài FM dùng ic 2003 nhưng lắp mãi mà vẫn ko bắt được tín hiệu, mong mọi người giúp đỡ. Mạch của nó đây ạ:[ATTACH=CONFIG]75081[/ATTACH]FPT Service bảo hành, sửa chữa dịch vụ UPS, các loại nguồn công suất.
Mr Xô : Email :
ĐT : 01674524129
Comment
-
hic, cả luồng này có đả động gì tới AM đâu , người ta hỏi rõ thu FM sài TA2003 mà . Học nhiều quá cũng bị ngộ như chú này chăng?Nguyên văn bởi nhockboy Xem bài viếtý anh quế dương nói là thu tín hiệu AM, tách sóng r khuếch đại lên chứ cóc cần mấy thứ lu bu khác à? nhưng Đ/C ở trên post CD2003 mà.

http://www.dientuvietnam.net/forums/...40/#post798417Module RF chuyên dụng điều khiển, truyền dữ liệu, thiết kế đề tài, dự án điện tử - chuyển giao công nghệ... ĐT: 0904964977 - email: dientuqueduong@yahoo.com
Comment
-
anh chị ơi, có ai thông thạo về máy thu thanh am k, cho e hỏi về chức năng của các khối cũng như chức năng cụ thể của từng linh kiện trong sơ đồ này đc k ạ, e có cái linh này, mong mọi người xem giúp e với
http://www.dientuvietnam.net/forums/...chmentid=75820
Comment
-
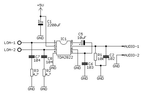
sau hơn 2 tuần nguyên cứu, làm đi làm lại bây giờ mạch đã ổn rồi ạ, post ảnh em nó lên cho anh/em mình cùng xơi. hi hiNguyên văn bởi endday92 Xem bài viếtanh chị ơi, có ai thông thạo về máy thu thanh am k, cho e hỏi về chức năng của các khối cũng như chức năng cụ thể của từng linh kiện trong sơ đồ này đc k ạ, e có cái linh này, mong mọi người xem giúp e với
http://www.dientuvietnam.net/forums/...chmentid=75820Bùi Thành Hậu
Gmail:
Fb:
Comment
Bài viết mới nhất
Collapse
-
bởi mylinhattTrong vận hành thực tế, nhiều xưởng gia công gặp tình trạng máy phay CNC bắt đầu sai kích thước, bề mặt rung nhẹ hoặc phát sinh lỗi thay dao dù chương trình và dao cắt không thay đổi. Phần lớn các vấn đề này không xuất phát từ lập trình mà đến từ việc bảo dưỡng máy chưa được thực hiện đúng và đủ....
-
Channel: Máy công cụ
hôm nay, 11:27 -
-
bởi ittcHì, em tính đi mua 1 cái máy Khoan và máy Mài (cắt), em đã chính thức gạt thằng BOSCH sang 1 bên vì giá cao hơn Dewalt và Makita, hơn nữa xem Cataloge của nó thì hàng ít model mẫu mã hơn.
Giá Dewalt và Makita thấy ngang ngửa nhau, thôi thì nhu...-
Channel: Điện tử gia dụng
hôm nay, 07:20 -
-
bởi DaoVanTrongChào Anh Em. Nay em có tạo 1 sơ đồ mạch UPS sau, xin Ae cho ý kiến.
Và nếu biết sản phẩm này nếu có sẵn thì em xin link để mua (nếu giá phù hợp) thì em đỡ phải làm ạ, vì em tìm nhưng không thấy:
╔═══════════════════[ĐIỆN_LƯỚI_220V]════════════════╗...-
Channel: Điện tử sáng tạo
Hôm qua, 23:32 -
-
Trả lời cho Nên mua máy phay CNC cũ, máy mới phổ thông hay máy chất lượng cao? Góc nhìn từ bài toán sản xuất thực tếbởi nguyendinhvanNgày trước, khi KT đang tăng trưởng, một cái máy tự động cũ tầm trung, thì khoảng 5 năm là hoàn vốn. Nhưng hiện tại, mọi việc đều chậm trễ, cạnh tranh, nên theo các xếp tính thì phải hơn 10 năm làm việc ngon lành thì mới hoàn vốn....
-
Channel: Máy công cụ
20-12-2025, 20:23 -
-
Trả lời cho cách làm led Hao Quang.có pro nào biết k nhỉ ???bởi StatusHello! I'm from Kazakhstan. Can anyone share the HEX file with me? The download link in post 50 doesn't work.
-
Channel: Vi điều khiển họ 8051
18-12-2025, 00:05 -
-
bởi mylinhattChào anh em cơ khí,
Trong quá trình tư vấn đầu tư thiết bị cho xưởng, mình gặp rất nhiều câu hỏi kiểu: “Nên mua máy phay CNC cũ để tiết kiệm, chọn máy mới phổ thông cho yên tâm, hay cố gắng lên máy chất lượng cao để làm hàng khó?”. Thực tế, đây không phải câu hỏi chỉ về...-
Channel: Máy công cụ
17-12-2025, 13:38 -
-
Trả lời cho Vấn đề về tốc độ quaybởi nguyendinhvanSử dụng động cơ servor, hoặc lắp thêm một cái encoder vào động cơ bước. Encoder sẽ kiểm soát động cơ có quay hoặc đứng im.
-
Channel: Điện tử truyền hình
14-12-2025, 19:50 -

Comment