Mình có cái nguồn xung viễn thông 54V 50A, còn bảo hành nên không muốn can thiệp vào mạch của nó do đó sẽ mắc thêm 1 mạch DC to DC. Vì vậy bác nào cho em xin cái sơ đồ dùng BJT hoặc FET để hạ áp 54V xuống 48V dòng khoảng 50A. Cám ơn các bạn.
Thông báo
Collapse
No announcement yet.
Xin sơ đồ hạ áp 54V > 48V 50A
Collapse
X
-
Mạch có sẵn chỉ là mạch có mức nguồn và áp thông dụng với mức cao thế này thì phải tự mò thôi bạn xem lại nguyên lý , sơ đồ mạch buck có sẵn trên diễn đàn rồi tính toán lại theo nhu cầu của bạn . Mình thì nghĩ bóc bớt dây biến áp xung và chỉnh mạch hồi tiếp bộ nguồn xung dễ hơn làm mạch buck này ..
- 1 like
-
Nếu nguồn của bạn thực sự là nguồn Viễn thông dạng Rack thì nó sẽ có phần kết nối số - interface. Dùng lệnh command để điểu khiển điện áp ngõ ra cho nó về 48V là OK mà không cần dùng bất kì mạch công suất ngoài nào.
Ngoài ra, một số Rack nguồn viễn thông hỗ trợ thêm chân Adjust - điều chỉnh feedback ngoài, cho phép thay đổi điện áp ngõ ra bằng cách gắn thêm trở phân áp vào chân Adjust này.
Bạn nên tra kĩ lại tài liệu loại nguồn mà bạn đang dùng nhé!Đam mê là sức mạnh vượt qua tất cả, mỗi ngày ...
- 1 like
Comment
-
Bác tuyennhan này người ta đã nói nó còn bảo hành không muốn can thiệp sâu mà bác lại xúi tháo bớt vòng dây. Biến áp xung không dễ tháo đâu vì thứ cấp nó thường nằm giữa 2 lớp sơ cấp. Hơn nữa chênh lệch áp không nhiều nên chỉ cần chỉnh hồi tiếp là được rồi.
Nếu được như bác taihung7z nói thì quá tốt cho chủ thớt đỡ phải chế thêm.sau.ph
- 2 yêu thích
Comment
-
Đó là mình so với việc phải làm mạch khác mà , 48 volt mà dòng 50 A với trình của mình thì phồng tay vì quấn dây và nướng còng .Nguyên văn bởi T.L.M Xem bài viếtBác tuyennhan này người ta đã nói nó còn bảo hành không muốn can thiệp sâu mà bác lại xúi tháo bớt vòng dây. Biến áp xung không dễ tháo đâu vì thứ cấp nó thường nằm giữa 2 lớp sơ cấp. Hơn nữa chênh lệch áp không nhiều nên chỉ cần chỉnh hồi tiếp là được rồi.
Nếu được như bác taihung7z nói thì quá tốt cho chủ thớt đỡ phải chế thêm.
Comment
-
Đúng là không biết chủ thớt dùng vào việc gì nữa, trong khi thiết bị điện nào cũng cho phép nguồn dao động trong ngưỡng nào đó mà. 48V+10% thành 52,8V rôi.Nguyên văn bởi Mèo mướp Xem bài viếtHạ xuống có 3v thì dùng ổn áp tuyến tính đi. 50A x 3v = 150W chắc là phải dùng đến quạt tản nhiệt cho sò rồi. Mà bạn thớt dùng cho cái gì vậy sao cứ phải là 48v hơn 1 xíu hông được sao...
Comment
-
Ý của bạn ấy có thể là bảo hành từ người bán.Nguyên văn bởi tungoc Xem bài viếtĐây là rectifier do Việt Nam (cụ thể là Fostef) chế tạo theo kiểu Hàn Quốc, dùng trong các tủ nắn VPRS của viễn thông. Mẫu này sản xuất quá lâu rồi, làm gì còn bảo hành bảo tỏi đâu mà không tháo ra, tiện thể làm vệ sinh luôn?
hi chủ thớt, thông số con của bạn có thể xem qua tại: http://dongahusa.com/pdf/VPRS-400N.pdf
vì con này là nguồn viễn thông nên chú ý là cực + thực chất là Đất - nối vỏ, đầu ra là kiểu -48V.
con này cho phép điều chỉnh từ -44V - -58V, vì vậy mong muốn điều chỉnh của chủ thớt là có thể được. Nhưng chưa rõ cài điều chỉnh này có thể chỉnh từ chỗ biến trở hay ko.
con rec này có cho phép truyền thông RS485, khả năng là có thể điều khiển bằng phương pháp số được. Mắc ở chỗ là ko có protocol để giao tiếp.
con rec này cũng đã cũ và đã thấy chỉnh sửa, chủ thớt cũng có thể thử bóc tách xem chỗ chỉnh biến trở.Đam mê là sức mạnh vượt qua tất cả, mỗi ngày ...
Comment
-
ko cháy.................................Nguyên văn bởi Asthased Xem bài viếtHàn thêm trở vào biến trở đó để chỉnh áp liệu có ổn ko nhỉ, có thể cháy nguồn ko nhỉ
Comment
-
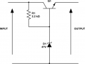
Mình tìm được trên mạng 2 kiểu sơ đồ này, áp ngõ vào tùy ý. Điện áp ngõ ra phụ thuộc vào zenner ổn áp. Dòng cực đại phụ thuộc vào BJT hoặc Mosfet.
Mình mắc thử sơ đồ sài Mosfet IRF540 vào 48V ra 32V dòng 2A thì thấy khả thi chỉ có điều con FET hơi nóng, Liệu tải 50A có khả thi không các bác.
Mình tính sơ sơ thì công suất tiêu tán (sinh nhiệt) trên con FET hoặc BJT rơi vào tầm 150W-200W (tản nhiệt kịp không nhỉ)
Comment
-
Mạch đó mà chạy 10A thôi cũng muốn "quá tải" với mos 3205 100A/8mOhm rồi, mặc dù nếu dùng trong push-pull nó tải 80A ngon lành! Bởi vì ở đây nó phải chạy dạng tuyến tính, theo nguyên lí Vg=Vs+Bth, với Vth cỡ 4-5V. Tản nhiệt cho nó phải thiệt bự, cỡ nửa kí nhôm cộng với cái quạt nữa mới ổn!!! Mà tại sao dùng 48V dc mà không sd dc 51V nhỉ?!!!
Comment
-
Tại vì cái tải của mình là mạch nhiệt luyện cao tầng chi tiết nhỏ, công suất tối đa chỉ 2000W thôi (mình cần gia nhiệt bề mặt sắt C45 đường kính dưới 20mm). Mà kẹt cái mình cải tạo lại cái biến áp để sạc acquy xe tải to tổ bố rồi nắn lọc DC được đúng 48V-50A cấp điện vô mạch thì chạy phà phà, nhưng mà cái biến áp nó nóng khủng khiếp lắm (được 2 3 tháng phải đi quấn lại biến áp khác). Bây giờ quấn biến áp thường công suất to hơn thì nó lại quá to và rất tốn tiền dây đồng.Nguyên văn bởi dinhthuong80 Xem bài viếtMạch đó mà chạy 10A thôi cũng muốn "quá tải" với mos 3205 100A/8mOhm rồi, mặc dù nếu dùng trong push-pull nó tải 80A ngon lành! Bởi vì ở đây nó phải chạy dạng tuyến tính, theo nguyên lí Vg=Vs+Bth, với Vth cỡ 4-5V. Tản nhiệt cho nó phải thiệt bự, cỡ nửa kí nhôm cộng với cái quạt nữa mới ổn!!! Mà tại sao dùng 48V dc mà không sd dc 51V nhỉ?!!!
Nay mình mua rẻ được cái nguồn xung viễn thông nhỏ gọn này, nhưng áp nó cao hơn có tí mà cắm vào là chết toi 6 con Mosfet 260N (đã cấp đúng cực - và GND vì nguồn viễn thông đầu ra - 51V). Vì vậy mình mới đau đàu như vậy.
Em có ra mấy tiệm sửa tivi, amply gần nhà, mà ai thấy cũng né, không dám làm. Em nghĩ là can thiệp hồi tiếp chắc là được.
- 1 like
Comment
Bài viết mới nhất
Collapse
-
bởi torasungChào anh em,
Mình đang tìm hiểu và cấu hình một con biến tần Delta model VFD037E43A dùng cho động cơ công suất nhỏ, ứng dụng băng tải và quạt. Trước đây mình chủ yếu làm với vài dòng khác của Delta nhưng chưa dùng nhiều model này, nên muốn...-
Channel: Điện tử công nghiệp
Hôm qua, 09:13 -
-
Trả lời cho Vấn đề về tốc độ quaybởi nguyendinhvanSử dụng động cơ servor, hoặc lắp thêm một cái encoder vào động cơ bước. Encoder sẽ kiểm soát động cơ có quay hoặc đứng im.
-
Channel: Điện tử truyền hình
14-12-2025, 19:50 -
-
bởi Andrea14Chào mọi người,
Tôi muốn mô phỏng sự thay đổi các mùa bằng cách từ từ nghiêng một quả địa cầu 16 inch bằng một động cơ bước nhỏ. Một động cơ bước khác sẽ quay quả địa cầu theo thời gian thực. Hệ thống truyền động...-
Channel: Điện tử truyền hình
12-12-2025, 12:42 -

Comment