Em có thiết kế mạch theo sơ đồ dưới. Nhưng khi em chạy nó lại nổ Transistor (TIP41C), em có thử 2 lần rồi, lần 2 thì nổ con MC34063. Là tại sao vậy ạ? *Em không gắn nhầm cực*
Thông báo
Collapse
No announcement yet.
Mạch Boost Dùng MC34063
Collapse
X
-
Em vừa làm bộ dập xung ngay R3, nó không khác biệt gì. Con Trans rất nóng, e không ngắt nguồn kịp chắc là nó nổ nốt.Nguyên văn bởi trthnguyen Xem bài viếtĐúng, vấn đề do R3....................................
Comment
-
Người ít kinh nghiệm nên bắt đầu với LM2577, LM2587. Tích hợp sẵn đèn công suất bên trong chịu dòng lớn. Linh kiện xung quanh rất ít, khó mà sai vào đâu được.
- 1 like
Comment
-
sụt áp trên R3 được đưa vào chân 7 để hạn dòng nên nó phải có trị số đủ lớn, bạn dùng dây điện nên mình nghĩ là không được, không phải do xung nên dập k có tác dụng.Nguyên văn bởi trung2021 Xem bài viết
Em vừa làm bộ dập xung ngay R3, nó không khác biệt gì. Con Trans rất nóng, e không ngắt nguồn kịp chắc là nó nổ nốt.
- 1 like
Comment
-
@@ lại được cái chú mạch 555 2 đi-ốt có tần số thay đổi này. Thớt nó lái TIP41 thế kia thì dễ gì chạy suôn sẻ. Transistor nội đang mắc C chung nên là khuếch đại điện áp, chân B tran đầu tiên nối thẳng vào flip flop nên đầu ra chân E tran công suất nội sẽ gần bằng nguồn vào ~5V. Đưa 5V vào lái TIP41 thì dòng quá to. Không nổ lái thì nổ TIP. Mà thớt đã nổ phần lái nên chắc là cháu đoán đúngNguyên văn bởi trthnguyen Xem bài viếtĐúng, vấn đề do R3....................................
Comment
-
Đúng là tuổi trẻ nông nổiNguyên văn bởi vandong1111 Xem bài viết
@@ lại được cái chú mạch 555 2 đi-ốt có tần số thay đổi này. Thớt nó lái TIP41 thế kia thì dễ gì chạy suôn sẻ. Transistor nội đang mắc C chung nên là khuếch đại điện áp, chân B tran đầu tiên nối thẳng vào flip flop nên đầu ra chân E tran công suất nội sẽ gần bằng nguồn vào ~5V. Đưa 5V vào lái TIP41 thì dòng quá to. Không nổ lái thì nổ TIP. Mà thớt đã nổ phần lái nên chắc là cháu đoán đúng
Cái mạch 555 kia là mình đã nói trước "có thể nhớ nhầm" chứ mình k khẳng định, k cần thiết phải nhắc lại kiểu cà khịa như thế
Mạch chủ thớt giống y hệt mạch trong datasheet, nói như bạn thì bạn đúng, nhà sản xuất sai???
- 1 like
Comment
-
Có phải TIP41 đâu chú @@. Trong datasheet cháu thấy có thêm cả note cho loại transistor khó bão hòa. Cộng thêm với linh kiện Tàu Khựa thì cháu nghĩ lái kiểu đó khó suôn sẻNguyên văn bởi trthnguyen Xem bài viết
Đúng là tuổi trẻ nông nổi
Cái mạch 555 kia là mình đã nói trước "có thể nhớ nhầm" chứ mình k khẳng định, k cần thiết phải nhắc lại kiểu cà khịa như thế
Mạch chủ thớt giống y hệt mạch trong datasheet, nói như bạn thì bạn đúng, nhà sản xuất sai???
Comment
-
1. Nó ghi là NPN, chẳng lẽ TIP41 không phải NPN?Nguyên văn bởi vandong1111 Xem bài viết
Có phải TIP41 đâu chú @@. Trong datasheet cháu thấy có thêm cả note cho loại transistor khó bão hòa. Cộng thêm với linh kiện Tàu Khựa thì cháu nghĩ lái kiểu đó khó suôn sẻ
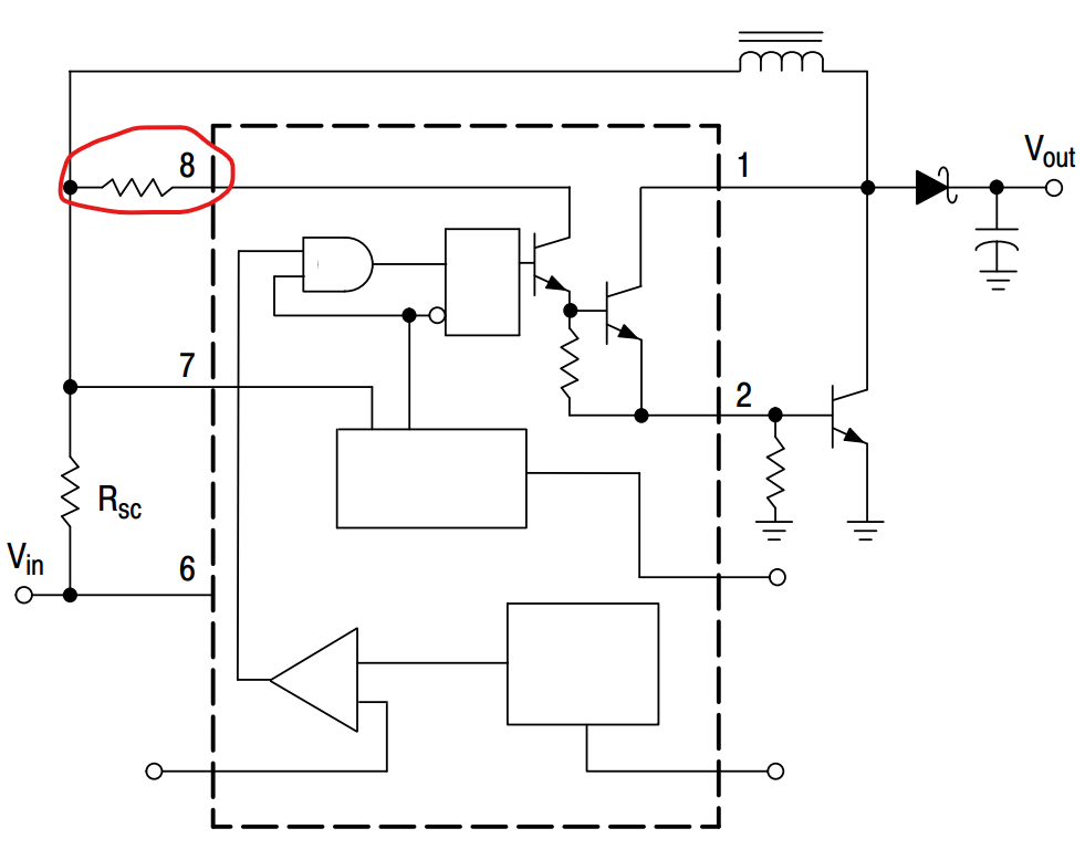
2.Con trở khoanh đỏ sẽ hạn dòng cho cả darlington nội lẫn TIP41, bạn nói dòng lái lớn là QUÁ SAI. Dòng lái max chỉ có (5 - 3*0.6) / 220 = 0.015A = 15mA (cho rằng mỗi tiếp giáp B-E là 0.6V, còn 220 ohm là con R khoanh đỏ mà chủ thớt dùng)
- 1 like
Comment
-
1. Vậy thì D718 cũng là NPN !!!!Nguyên văn bởi trthnguyen Xem bài viết
1. Nó ghi là NPN, chẳng lẽ TIP41 không phải NPN?
2.Con trở khoanh đỏ sẽ hạn dòng cho cả darlington nội lẫn TIP41, bạn nói dòng lái lớn là QUÁ SAI. Dòng lái max chỉ có (5 - 3*0.6) / 220 = 0.015A = 15mA (cho rằng mỗi tiếp giáp B-E là 0.6V, còn 220 ohm là con R khoanh đỏ mà chủ thớt dùng)
2. Mạch tuyến tính bình thường tính như thế là đúng. Nhưng mạch này cháu thấy không đơn giản thế nữa. Chân B TIP41 sóng sẽ không đẹp, có giao động gợn nhỏ
Còn thớt bị nổ ic thì chắc chắn tính có sai sót chỗ 2 con transistor nội rồi
Comment
-
1. Chẳng hiểu bạn phản biện cái gì. Ở #9 bạn nói datasheet không nhắc đến TIP41 thì mình dẫn chứng TIP41 là NPN là dùng được, tự nhiên lôi D718 vào làm cái gì???Nguyên văn bởi vandong1111 Xem bài viết
1. Vậy thì D718 cũng là NPN !!!!
2. Mạch tuyến tính bình thường tính như thế là đúng. Nhưng mạch này cháu thấy không đơn giản thế nữa. Chân B TIP41 sóng sẽ không đẹp, có giao động gợn nhỏ
Còn thớt bị nổ ic thì chắc chắn tính có sai sót chỗ 2 con transistor nội rồi
2. Có dao động thì dòng sẽ cao hơn sao? Giải thích logic xem nào
Comment
-
Nguyên văn bởi trthnguyen Xem bài viết
1. Chẳng hiểu bạn phản biện cái gì. Ở #9 bạn nói datasheet không nhắc đến TIP41 thì mình dẫn chứng TIP41 là NPN là dùng được, tự nhiên lôi D718 vào làm cái gì???
2. Có dao động thì dòng sẽ cao hơn sao? Giải thích logic xem nào1. Vậy datasheet chú mới xem hình mà chưa đọc rồi @@ Chú cũng chưa đọc post của cháu luôn. Cháu nói rõ là có note trong datasheet cho loại van khó bão hòa. Chú tự dưng lôi mỗi NPN thì ý nghĩa gì. Đấy D718 cũng NPN theo ý chú đấy hay chú dùng C945 cũng là mình NPN đấy!!!Nó ghi là NPN, chẳng lẽ TIP41 không phải NPN?
2. Mạch công suất chưa gì chân B đã gợn lăn tăn xấu hoắc thì suôn sẻ kiểu gì chú.
Cháu chưa xác định được lái xấu mức nào làm ảnh hưởng dòng lái TIP tăng nhiều không. Nhưng cháu khẳng định chú tính sai rồi. Thớt làm chuột bạch kia rồi mà chú còn lôi công thức vào làm gì @@. Có phải làm bài tập chấm điểm đâu mà chú mang công thức lên cãi: Đấy công thứ tính đúng đấy sao lại trừ điểm.
Chú tính được 1 thông số ở chế độ tĩnh rồi kết luận phần này ổn!!!
Chú cần logic thì thớt đã chạy suôn sẻ chưa ạ
(À cháu xin lỗi chú, còn trường hợp thằng thớt nó nối sai linh kiện nữa)
Comment
-
2. Dòng lái tăng được??? Tăng kiểu gì? Biện luận mà cứ tự suy diễn thế thì ai nghe? Hãy xem chân C của con trans nội, nó mắc SAU cuộn dây, mà cuộn dây có đặc tính là làm dòng tăng lên từ từ, khi dòng chưa tăng đến mức cực đại mà tiếp giáp B-E của con trans ngoại chịu được thì đã hết thời gian T(on) của xung PWM -> mất dòng. Bạn chưa phân tích điểm này mà đã vội kết luận là điện áp và dòng lái trans ngoại lớn? Điều bạn nói chỉ đúng khi nối tắt L hoặc điện cảm L chưa đủ lớn mà thôi.Nguyên văn bởi vandong1111 Xem bài viết
1. Vậy datasheet chú mới xem hình mà chưa đọc rồi @@ Chú cũng chưa đọc post của cháu luôn. Cháu nói rõ là có note trong datasheet cho loại van khó bão hòa. Chú tự dưng lôi mỗi NPN thì ý nghĩa gì. Đấy D718 cũng NPN theo ý chú đấy hay chú dùng C945 cũng là mình NPN đấy!!!
2. Mạch công suất chưa gì chân B đã gợn lăn tăn xấu hoắc thì suôn sẻ kiểu gì chú.
Cháu chưa xác định được lái xấu mức nào làm ảnh hưởng dòng lái TIP tăng nhiều không. Nhưng cháu khẳng định chú tính sai rồi. Thớt làm chuột bạch kia rồi mà chú còn lôi công thức vào làm gì @@. Có phải làm bài tập chấm điểm đâu mà chú mang công thức lên cãi: Đấy công thứ tính đúng đấy sao lại trừ điểm.
Chú tính được 1 thông số ở chế độ tĩnh rồi kết luận phần này ổn!!!
Chú cần logic thì thớt đã chạy suôn sẻ chưa ạ
(À cháu xin lỗi chú, còn trường hợp thằng thớt nó nối sai linh kiện nữa)
Thớt chạy không suôn sẻ thì nó cũng có logic để giải thích (như mình vừa nói xong cũng là 1 trường hợp)
1. Cái chỗ khoanh đỏ kia có ý nghĩa gì? Không phải TIP41 thì làm sao? Nhà sản xuất cấm dùng TIP41 chung với IC đó à?
- 1 like
Comment
-
Bạn chắc chắn ráp đúng sơ đồ thì nó đã chạy.Nguyên văn bởi trung2021 Xem bài viết
Em vừa làm bộ dập xung ngay R3, nó không khác biệt gì. Con Trans rất nóng, e không ngắt nguồn kịp chắc là nó nổ nốt.
R3 hạn dòng trường hợp cụ thể của bạn không quan trọng, vì nó chỉ giới hạn công suất max đầu vào khi có tải/ giới hạn công suất max đầu ra thôi.
Có vấn đề thì bạn kiểm tra kĩ lại các linh kiện nhạy cảm như D1 có đúng là diode xung, Cuộn L1 của bạn như thế nào,... tốt nhất là bạn up hình cái mạch thực của bạn sẽ dễ tìm nguyên nhân hơn
Mình khá thích con 34063, hiện đang dùng 2 mạch, nhưng mình ráp thêm mạch 2 transitor nữa, Totem gì ấy để lái fet, chạy áp vào 12V. Một mạch xài led max 75V/4.5A, một mạch output 100V/1A
- 2 yêu thích
Comment
Bài viết mới nhất
Collapse
-
bởi bqvietMạch cồng kềnh nhưng khá bài bản. Nếu tự làm để học thì cũng đáng để bắt tay nghịch chơi. Nếu chỉ cần sản phẩm thì các sàn thương mại điện tử có sẵn UPS DC này ra 5V hoặc 12V rất sẵn, chạy pin, giá cũng không đắt.
-
Channel: Điện tử sáng tạo
Hôm qua, 18:28 -
-
bởi mylinhattTrong vận hành thực tế, nhiều xưởng gia công gặp tình trạng máy phay CNC bắt đầu sai kích thước, bề mặt rung nhẹ hoặc phát sinh lỗi thay dao dù chương trình và dao cắt không thay đổi. Phần lớn các vấn đề này không xuất phát từ lập trình mà đến từ việc bảo dưỡng máy chưa được thực hiện đúng và đủ....
-
Channel: Máy công cụ
22-12-2025, 11:27 -
-
bởi ittcHì, em tính đi mua 1 cái máy Khoan và máy Mài (cắt), em đã chính thức gạt thằng BOSCH sang 1 bên vì giá cao hơn Dewalt và Makita, hơn nữa xem Cataloge của nó thì hàng ít model mẫu mã hơn.
Giá Dewalt và Makita thấy ngang ngửa nhau, thôi thì nhu...-
Channel: Điện tử gia dụng
22-12-2025, 07:20 -
-
bởi DaoVanTrongChào Anh Em. Nay em có tạo 1 sơ đồ mạch UPS sau, xin Ae cho ý kiến.
Và nếu biết sản phẩm này nếu có sẵn thì em xin link để mua (nếu giá phù hợp) thì em đỡ phải làm ạ, vì em tìm nhưng không thấy:
╔═══════════════════[ĐIỆN_LƯỚI_220V]════════════════╗...-
Channel: Điện tử sáng tạo
21-12-2025, 23:32 -
-
Trả lời cho Nên mua máy phay CNC cũ, máy mới phổ thông hay máy chất lượng cao? Góc nhìn từ bài toán sản xuất thực tếbởi nguyendinhvanNgày trước, khi KT đang tăng trưởng, một cái máy tự động cũ tầm trung, thì khoảng 5 năm là hoàn vốn. Nhưng hiện tại, mọi việc đều chậm trễ, cạnh tranh, nên theo các xếp tính thì phải hơn 10 năm làm việc ngon lành thì mới hoàn vốn....
-
Channel: Máy công cụ
20-12-2025, 20:23 -
-
Trả lời cho cách làm led Hao Quang.có pro nào biết k nhỉ ???bởi StatusHello! I'm from Kazakhstan. Can anyone share the HEX file with me? The download link in post 50 doesn't work.
-
Channel: Vi điều khiển họ 8051
18-12-2025, 00:05 -
-
bởi mylinhattChào anh em cơ khí,
Trong quá trình tư vấn đầu tư thiết bị cho xưởng, mình gặp rất nhiều câu hỏi kiểu: “Nên mua máy phay CNC cũ để tiết kiệm, chọn máy mới phổ thông cho yên tâm, hay cố gắng lên máy chất lượng cao để làm hàng khó?”. Thực tế, đây không phải câu hỏi chỉ về...-
Channel: Máy công cụ
17-12-2025, 13:38 -
-
Trả lời cho Vấn đề về tốc độ quaybởi nguyendinhvanSử dụng động cơ servor, hoặc lắp thêm một cái encoder vào động cơ bước. Encoder sẽ kiểm soát động cơ có quay hoặc đứng im.
-
Channel: Điện tử truyền hình
14-12-2025, 19:50 -

Comment