chào các bác
bây giời em muốn chuyển đổi mạch hồi tíêp trực tiếp của bác duong_act
bằng hồi tiếp cách ly thông qua con PC817 và TL431.
quay lại với sơ đồ của bác ấy.
em đọc và nguyên cứu con TL494. phần hồi tiếp là nó dùng opam. là khi có điện áp cao hơn nó mới có tín hiệu hồi tiếp.
vậy em có thắc mắc là để ổn định điện áp ra là ta cho tín hiệu vào In+ nó dao động liên tục lên xuống ở mức tín hiệu chân In- phải không ạ. nghĩa là: ta lấy áp ở chân in- là 4,5V rồi ta đưa tín hiệu vào chân in+ nếu 4,6V thì con opam ở trong TL494 nó sẽ gửi tín hiệu làm cho áp ra thấp xuống rồi => áp ở chân in+ nó còn 4,4 V thì nó không có tín hiệu ở out của opam 494 thì nó gửi tín hiệu yêu cầu áp tăng lên và nó cứ liên hoàng như thế phải không ạ.
hay là ta thiết kế với mức điện áp > 4,5V (ở trên) rồi khi đó điện áp sụt xuống thì nó gửi tín hiệu kéo điện áp lên ạ.
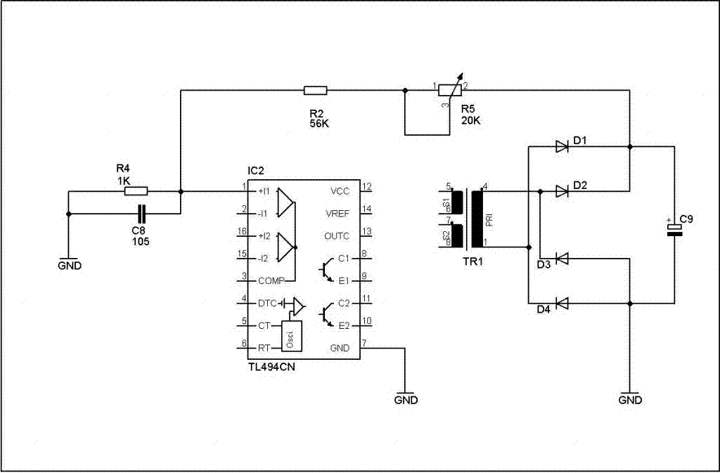
cho em hỏi với mạch
khi đó chân 1 nó nối GND thì điện áp ra là cao nhất hay là thấp nhất so với nối lên Vcc ạ.
em xin chân thành cảm ơn các bác ạ.
bây giời em muốn chuyển đổi mạch hồi tíêp trực tiếp của bác duong_act
bằng hồi tiếp cách ly thông qua con PC817 và TL431.
quay lại với sơ đồ của bác ấy.
em đọc và nguyên cứu con TL494. phần hồi tiếp là nó dùng opam. là khi có điện áp cao hơn nó mới có tín hiệu hồi tiếp.
vậy em có thắc mắc là để ổn định điện áp ra là ta cho tín hiệu vào In+ nó dao động liên tục lên xuống ở mức tín hiệu chân In- phải không ạ. nghĩa là: ta lấy áp ở chân in- là 4,5V rồi ta đưa tín hiệu vào chân in+ nếu 4,6V thì con opam ở trong TL494 nó sẽ gửi tín hiệu làm cho áp ra thấp xuống rồi => áp ở chân in+ nó còn 4,4 V thì nó không có tín hiệu ở out của opam 494 thì nó gửi tín hiệu yêu cầu áp tăng lên và nó cứ liên hoàng như thế phải không ạ.
hay là ta thiết kế với mức điện áp > 4,5V (ở trên) rồi khi đó điện áp sụt xuống thì nó gửi tín hiệu kéo điện áp lên ạ.
cho em hỏi với mạch
khi đó chân 1 nó nối GND thì điện áp ra là cao nhất hay là thấp nhất so với nối lên Vcc ạ.
em xin chân thành cảm ơn các bác ạ.
. Chính những chân Err của TL494 là những ngõ vào của OPAM. bác sử dụng các chân ( đảo hoặc không đảo ) để điều khiển TL494. Nguyên lý thì y chang OPAM thường thôi ạ, thực chất nó vẫn là OPAM mà


Comment