Nguyên văn bởi anhyeuemvb
Xem bài viết
Thông báo
Collapse
No announcement yet.
Làm Ampli đơn giản bằng TEA2025B
Collapse
This is a sticky topic.
X
X
-
thì bạn phải có kinh nghiệm hàn mạch rồi. không có gì khó hết.Nguyên văn bởi assyrian007 Xem bài viếtCác bác cho e hỏi các chân IC vừa nhỏ lại vừa mau vậy làm cách nào mà các bác hàn các chân thành mạch cho dễ ah?Heo Ma Mút
Comment
-
Mn cho hỏi có ai biết cách giảm độ khuếch đại của con tea2025b khi lắp kiểu mono không vậy chứ mình định dùng 2 con lắp mono thành stereo cho 2 loa mà âm lượng để ở mức 10/100 mà nó nghe đã to và rè rồi, cho mình hỏi thêm là sao khi lắp vô hộp nghe nó cứ rung rung vang vang kiểu gì ý.
Comment
-
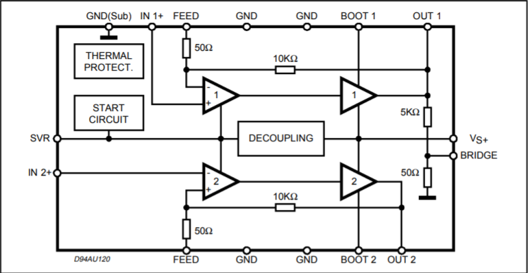
1 - Chân 6 và 11 đều là chân feedback sao chỉ thêm vào chân 11 vậy ?Nguyên văn bởi T.L.M Xem bài viết- Thêm điện trở 270 ôm vào chân 11 (feed). Độ khuếch đại sẽ giảm khoảng 6 lần.
- Thử đảo dây của 1 loa.
2 - Con điện trở kia là lắp vào chân 11 xong mới đến tụ hay lăp sau tụ và giá trị của nó mình có thể thay đổi tùy ý được không vậy?
3 - Nếu đảo dây loa thì 1 loa đẩy ra 1 loa hút vào( ngược cực) mình thấy có gì đó sai sai
4 - Có cần thêm 1 con tụ gốm nhỏ xuống mass ở đường tín hiệu vào không vậy?
Comment
-
1- Kênh 1 dùng để khuếch đại lên 201 lần, kênh 2 tạo tín hiệu ngược pha với kênh 1 (hệ số kđ=-1) nên chỉ cần điều chỉnh kênh 1 thôi, kênh 2 giữ nguyên. Trong hình vẽ sai chân feed nối vào in- mới đúng.
2- Bạn thấy 2 điện trở 50 & 10k trong chân 11 chứ? Công thức tính hskđ = 1 + 10k/50. Tăng điện trở 50 ôm lên thì hskđ sẽ giảm xuống.
3- Nghe bạn mô tả giống như 2 loa bù trừ lẫn nhau. Đảo thử xem có nghe hay hơn không chứ ko giải thích dc.
4- Thêm tụ sẽ giảm tiếng treble đỡ chói tai, tuỳ sở thích mỗi người thôi.sau.ph
Comment
-
thanks bác nha sau nhiều lần cân chỉnh giờ nó đã chạy ngon rồi.Nguyên văn bởi T.L.M Xem bài viết1- Kênh 1 dùng để khuếch đại lên 201 lần, kênh 2 tạo tín hiệu ngược pha với kênh 1 (hệ số kđ=-1) nên chỉ cần điều chỉnh kênh 1 thôi, kênh 2 giữ nguyên. Trong hình vẽ sai chân feed nối vào in- mới đúng.
2- Bạn thấy 2 điện trở 50 & 10k trong chân 11 chứ? Công thức tính hskđ = 1 + 10k/50. Tăng điện trở 50 ôm lên thì hskđ sẽ giảm xuống.
3- Nghe bạn mô tả giống như 2 loa bù trừ lẫn nhau. Đảo thử xem có nghe hay hơn không chứ ko giải thích dc.
4- Thêm tụ sẽ giảm tiếng treble đỡ chói tai, tuỳ sở thích mỗi người thôi.
Comment
Bài viết mới nhất
Collapse
-
Trả lời cho Nên mua máy phay CNC cũ, máy mới phổ thông hay máy chất lượng cao? Góc nhìn từ bài toán sản xuất thực tếbởi nguyendinhvanNgày trước, khi KT đang tăng trưởng, một cái máy tự động cũ tầm trung, thì khoảng 5 năm là hoàn vốn. Nhưng hiện tại, mọi việc đều chậm trễ, cạnh tranh, nên theo các xếp tính thì phải hơn 10 năm làm việc ngon lành thì mới hoàn vốn....
-
Channel: Máy công cụ
Hôm qua, 20:23 -
-
Trả lời cho cách làm led Hao Quang.có pro nào biết k nhỉ ???bởi StatusHello! I'm from Kazakhstan. Can anyone share the HEX file with me? The download link in post 50 doesn't work.
-
Channel: Vi điều khiển họ 8051
18-12-2025, 00:05 -
-
bởi mylinhattChào anh em cơ khí,
Trong quá trình tư vấn đầu tư thiết bị cho xưởng, mình gặp rất nhiều câu hỏi kiểu: “Nên mua máy phay CNC cũ để tiết kiệm, chọn máy mới phổ thông cho yên tâm, hay cố gắng lên máy chất lượng cao để làm hàng khó?”. Thực tế, đây không phải câu hỏi chỉ về...-
Channel: Máy công cụ
17-12-2025, 13:38 -
-
Trả lời cho Vấn đề về tốc độ quaybởi nguyendinhvanSử dụng động cơ servor, hoặc lắp thêm một cái encoder vào động cơ bước. Encoder sẽ kiểm soát động cơ có quay hoặc đứng im.
-
Channel: Điện tử truyền hình
14-12-2025, 19:50 -
-
bởi Andrea14Chào mọi người,
Tôi muốn mô phỏng sự thay đổi các mùa bằng cách từ từ nghiêng một quả địa cầu 16 inch bằng một động cơ bước nhỏ. Một động cơ bước khác sẽ quay quả địa cầu theo thời gian thực. Hệ thống truyền động...-
Channel: Điện tử truyền hình
12-12-2025, 12:42 -

Comment