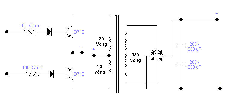
Thấy bảo rằng Ferit sau khi bị "nung" ở nhiệt độ cao khi nguội lại thì chất lượng kém đi đấy. Anh em làm thử xem sao
. Thử ngâm trong mấy cái " a xê tôn " xem sao.

. Thử ngâm trong mấy cái " a xê tôn " xem sao.

. Thử ngâm trong mấy cái " a xê tôn " xem sao.

Comment