Totem pole cho trường hợp này thôi nhé
Thông báo
Collapse
No announcement yet.
Máy hàn xung tự chế tại sao không ?
Collapse
This is a sticky topic.
X
X
-
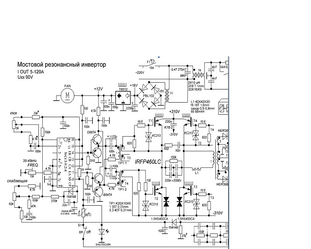
Mạch này lắp 4 con fet cho mạch driver là có vẻ thừa. Nhưng nếu để vậy thì phải đổi chỗ D6, cho R24, D7 cho R25 chứ bác Thucbao. Còn LT494 2 con tran đầu ra C để hở, nhằm mục đích có thể nối đầu ra ở điện áp khác với Vcc của TL494. Bạn vanhoang đã đấu Biến áp vào T1-T4 và đã có xung, chỉ là nóng các Tran này thôi. Xử lí vấn đề nóng nữa là OK!Last edited by phongltyt; 25-10-2014, 08:08.
Comment
-
Cảm ơn bác.nhưng thực tế cháu đang cho chạy thử mạch không dùng đến fet mà đưa thẳng 2 đầu A và B của tầng 2N2222 + 2N3906 vào 2 đầu của 2 biến áp cách ly để điều khiển cầu H như hình bên dưới và lắp biến áp ĐỘNG LỰC + DIODE nắn và đo đã có áp ra ở biến áp động lực này nhưng có điều nếu cứ để như vậy không biết có ổn không và phần 2n2222+2n3906 hơi nóng (cái này chắc phải thay transito dòng lớn hơn ).Theo bác cứ để như vậy có được không hả bác và cần phải điều chỉnh hay thêm bớt những gì nữa không ạ?.Nguyên văn bởi thucbao Xem bài viếtPhải suy nghĩ chút khi làm mạch em ơi, chân 9.10 TL494 nối mát thì còn xung đâu mà kích FET, nối như vậy là ko được, phần lớn thời gian xung mở chui hết vào mát, thì em kích được gì nữa đâu?
Phải làm ngược lại, chân 9-10 nối với B 2 trans qua trở 10Ohm. Còn B 2 trans nối với mát qua trở 1.5K , chân 8 nối với 11 với 12. còn điện trở 1k thì bỏ đi
Attached FilesLast edited by vanhoang; 25-10-2014, 14:09.
Comment
-
lý do tại sao lại đi cầu H hả bạn, bạn có thể giải thích cho mình được ko?Nguyên văn bởi daovanmau Xem bài viếtmạch này của bác vanhoang mà ngừng xung ra là đi luôn cầu H.bác đọc kỹ lại data của tl494 nhé.
Comment
-
Bạn daovanmau nói đúng! Có thể bạn ko tin mình. như mình cũng đã nói ở bài #1040 sai ở chỗ D6, D7 và R24, R25 phải đổi cho nhau. Vì khi mất xung thì T1, T2 dẫn làm cho Q2 và Q3 dẫn. Trong khi đó cực G của Q1, Q4 nối mass qua R24 và R25 nên nó cũng dẫn => Ngắn mạch => "cầu H đi" .Để tránh thì:Nguyên văn bởi vanhoang Xem bài viếtlý do tại sao lại đi cầu H hả bạn, bạn có thể giải thích cho mình được ko?
- Đổi chỗ D6,7 và R24,25
- hoặc bỏ 2 tụ C11, C12
Mạn phép bác thucbao mình có ý kiến thế này: Mạch của bạn ngon rồi chỉ cần thay T1,2,3,4 bằng các con có dòng khoảng 1,5A trở lên là OK (VD cặp C2073 và A940). ko cần dùng cầu H nữa.Last edited by phongltyt; 25-10-2014, 23:58.
Comment
-
Mạch ko sửa thì ko chạy được đâu mặc dù có xung nhưng không đúng xung, 2 con 2N 2222 dẫn ko phải nhờ Trans của Tl494 nên dẫn yếu, với lại khi xung TL494 nghỉ thì nó dẫn. Nên tôi nói là ko được nối mát chân 9 và 10. mà phải bỏ R1 và R2 đi. Nối 8-11-12 với nguồn 15V. Nối 9, 10 với từng cặp B. Chân B nối mát 1--1.5KNguyên văn bởi vanhoang Xem bài viếtCảm ơn bác.nhưng thực tế cháu đang cho chạy thử mạch không dùng đến fet mà đưa thẳng 2 đầu A và B của tầng 2N2222 + 2N3906 vào 2 đầu của 2 biến áp cách ly để điều khiển cầu H như hình bên dưới và lắp biến áp ĐỘNG LỰC + DIODE nắn và đo đã có áp ra ở biến áp động lực này nhưng có điều nếu cứ để như vậy không biết có ổn không và phần 2n2222+2n3906 hơi nóng (cái này chắc phải thay transito dòng lớn hơn ).Theo bác cứ để như vậy có được không hả bác và cần phải điều chỉnh hay thêm bớt những gì nữa không ạ?.
Làm như vậy sẽ được xung đúng và khỏe.( mà mạch em vẽ sao chân 14 nối với 12? 14 là áp 5 v tự nó có. chân 12 nối nguồn 15V (nối để làm gì? bỏ đi)
Tham khảo cầu H sau đây cách đấu Trans
Cứ làm cho đúng từng phần rồi sẽ kiểm tra cầu FET sau .Last edited by thucbao; 26-10-2014, 01:24.
Comment
-
bác [MENTION=43094]thucbao[/MENTION] nói chí phải / có điều mình chạy cặp totem 882 và 772 được không bác? liệu có đủ nhanh với 100khz không vậy? nên có trở hạn dòng khoảng 22r vào chân b tran và trở xả xuống mass? cháu thắc mắc là mạch động lực sao trở xả gate ibgt có 50r vậy nhỉ? sao lại có con tụ 222 mắc vào cực g và mass???LÕI LỌC INVERTER PURE SINE 0169.339.3635.
Comment
-
Nguyên văn bởi thucbao Xem bài viếtMạch ko sửa thì ko chạy được đâu mặc dù có xung nhưng không đúng xung, 2 con 2N 2222 dẫn ko phải nhờ Trans của Tl494 nên dẫn yếu, với lại khi xung TL494 nghỉ thì nó dẫn. Nên tôi nói là ko được nối mát chân 9 và 10. mà phải bỏ R1 và R2 đi. Nối 8-11-12 với nguồn 15V. Nối 9, 10 với từng cặp B. Chân B nối mát 1--1.5K
Làm như vậy sẽ được xung đúng và khỏe.( mà mạch em vẽ sao chân 14 nối với 12? 14 là áp 5 v tự nó có. chân 12 nối nguồn 15V (nối để làm gì? bỏ đi)
Tham khảo cầu H sau đây cách đấu Trans
Cứ làm cho đúng từng phần rồi sẽ kiểm tra cầu FET sau .
Bác kiểm tra giúp cháu mạch cháu sửa như hình dưới đã được chưa hả bác? và còn chỉnh sửa gì nữa không ạ.Cảm ơn bácAttached Files
Comment
-
Không rõ bác nói công thức nào ở bài 4?Nguyên văn bởi adiencobmt Xem bài viếtbac thuc bao cho minh hoi mot ty nhe sao cai cong thuc tinh vong day bac cho ơ bai 4 minh ap dung tinh thu ma tinh mai may cung khong dung hay con cong thuc thuc nao lien quan khac nua bac cho anh em de anh em tinh voi chu moi lan can cu xin bac so lieu bat tie qua cam ơn bac nhiều
Comment
Bài viết mới nhất
Collapse
-
bởi mylinhattTrong vận hành thực tế, nhiều xưởng gia công gặp tình trạng máy phay CNC bắt đầu sai kích thước, bề mặt rung nhẹ hoặc phát sinh lỗi thay dao dù chương trình và dao cắt không thay đổi. Phần lớn các vấn đề này không xuất phát từ lập trình mà đến từ việc bảo dưỡng máy chưa được thực hiện đúng và đủ....
-
Channel: Máy công cụ
Hôm qua, 11:27 -
-
bởi ittcHì, em tính đi mua 1 cái máy Khoan và máy Mài (cắt), em đã chính thức gạt thằng BOSCH sang 1 bên vì giá cao hơn Dewalt và Makita, hơn nữa xem Cataloge của nó thì hàng ít model mẫu mã hơn.
Giá Dewalt và Makita thấy ngang ngửa nhau, thôi thì nhu...-
Channel: Điện tử gia dụng
Hôm qua, 07:20 -
-
bởi DaoVanTrongChào Anh Em. Nay em có tạo 1 sơ đồ mạch UPS sau, xin Ae cho ý kiến.
Và nếu biết sản phẩm này nếu có sẵn thì em xin link để mua (nếu giá phù hợp) thì em đỡ phải làm ạ, vì em tìm nhưng không thấy:
╔═══════════════════[ĐIỆN_LƯỚI_220V]════════════════╗...-
Channel: Điện tử sáng tạo
21-12-2025, 23:32 -
-
Trả lời cho Nên mua máy phay CNC cũ, máy mới phổ thông hay máy chất lượng cao? Góc nhìn từ bài toán sản xuất thực tếbởi nguyendinhvanNgày trước, khi KT đang tăng trưởng, một cái máy tự động cũ tầm trung, thì khoảng 5 năm là hoàn vốn. Nhưng hiện tại, mọi việc đều chậm trễ, cạnh tranh, nên theo các xếp tính thì phải hơn 10 năm làm việc ngon lành thì mới hoàn vốn....
-
Channel: Máy công cụ
20-12-2025, 20:23 -
-
Trả lời cho cách làm led Hao Quang.có pro nào biết k nhỉ ???bởi StatusHello! I'm from Kazakhstan. Can anyone share the HEX file with me? The download link in post 50 doesn't work.
-
Channel: Vi điều khiển họ 8051
18-12-2025, 00:05 -
-
bởi mylinhattChào anh em cơ khí,
Trong quá trình tư vấn đầu tư thiết bị cho xưởng, mình gặp rất nhiều câu hỏi kiểu: “Nên mua máy phay CNC cũ để tiết kiệm, chọn máy mới phổ thông cho yên tâm, hay cố gắng lên máy chất lượng cao để làm hàng khó?”. Thực tế, đây không phải câu hỏi chỉ về...-
Channel: Máy công cụ
17-12-2025, 13:38 -
-
Trả lời cho Vấn đề về tốc độ quaybởi nguyendinhvanSử dụng động cơ servor, hoặc lắp thêm một cái encoder vào động cơ bước. Encoder sẽ kiểm soát động cơ có quay hoặc đứng im.
-
Channel: Điện tử truyền hình
14-12-2025, 19:50 -









Comment