mình cũng ráp mạch này thấy chạy phà phà chứ có gì đâu ta.
Thông báo
Collapse
No announcement yet.
Tổng hợp các bài viết về ICTDA2030
Collapse
This is a sticky topic.
X
X
-
Đối với biến áp đơn:Nguyên văn bởi medientu Xem bài viếtTheo em dc biết thì mạch lọc nguồn đôi phía BA vào có 3 điểm , nếu là BA đơn thì chỉ có 0V - 12V (24V) , vậy cho em hỏi mắc như thế nào ??? Thanks
Mắc mạch cũng đơn giản thôi, sử dụng pp nắn bán kỳ nên hiệu suất sẽ không cao.
0V là mass. 12V nối với diode phân cực thuận --> mắc tụ (chú ý chiều của tụ: dương: đầu diode, âm là mass) --> điện áp dương.
0V là mass. 12V nối với diode phân cực nghịch --> mắc tụ (chú ý chiều của tụ: âm: đầu diode, dương là mass) --> điện áp âm.Last edited by kimhuynguyen; 02-01-2009, 13:44.More friends more foods
Comment
-
Bác có thể post sơ đồ nguyên lý cho mình dc ko ?? ThanksNguyên văn bởi quangngoc_5s Xem bài viếtmình cũng ráp mạch này thấy chạy phà phà chứ có gì đâu ta.
Comment
-
-anh ơi em làm thử rồi ! dùng bình xe máy 12v 3.5A nhưng không được ,hi!Nguyên văn bởi duong_act Xem bài viếtMạch của bạn chắc là nguồn đơn chỉnh lưu dùng tụ lọc tạo nguồn đối xứng.Bạn có thấy trên mạch có 2 cái tụ to đùng giống nhau không.Giá trị của tụ nếu mình không nhầm thì là 2200uF hay 3300uF gì đó đúng không.Với mạch này bạn không cần thêm bớt gì cả.Cứ mắc 2 đầu ac quy vào cái chỗ nó mắc BA vào đó.Yên tâm là chiều nào cũng được vì trên mạch đã có 4 diode 1N4007 chỉnh lưu rồi.Còn nếu muốn bỏ đi thì bỏ 4 con diode chỉnh lưu hưng lúc đó mắc ăc quy vào phải thật cẩn thận.Ngược chiều là đi luôn 3 con IC đấy.
Chuc thành công.
Comment
-
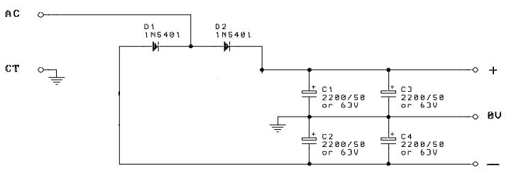
Rất đơn giản ! Dùng cách chỉnh lưu toàn sóng nhân đôi điện áp.Bạn háy dùng 2 hoặc 4 tụ điện có trị số lớn và giồng nhau mắc theo sơ đồ dưới.Mạch có 3 đấu ra tương ứng các mức điện áp là -12VDC, 0V ,+12VDC.Bạn có thể bỏ mức 0V để được mức nguồn 48VDC.Nguyên văn bởi medientu Xem bài viếtDạ thưa anh , em có post mạch lọc nguồn ở trang 1 rồi ạ , mong anh xem lại giúp em xem có đúng ko ạ ? chứ mạch lọc của em dùng 4 tụ 2200mF ! Nhân tiện cho em hỏi : em dùng BA 3A 0V - 12V - 24V , em lấy điểm giữa làm MAX , 2 bên là 12V qua diode chỉnh lưu và tụ lọc tạo thành nguồn đôi 12V . Vậy cũng với BA và mạch tạo nguồn đôi đó em muốn tạo ra nguồn đôi 24V . Em chưa biết cách đấu dây , mong anh chỉ giáo !
. Đây là mạch chỉnh lưu nguồn đôi của em :
Comment
-
Không được là sao ? Cậu thử miêu tả khí hơn về vị trí , trị số ,của các linh kiện một các rõ ràng hơn xem nào. Hoặc có điện thoại thì chụp ảnh mặt trước và sau cái mạch đó rồi post lên đây đi.Nguyên văn bởi chugia Xem bài viết-anh ơi em làm thử rồi ! dùng bình xe máy 12v 3.5A nhưng không được ,hi!
Comment
-
Mạch do bác duychau nói đến được sử dụng khi các tải có 1 đầu nối vào điểm 0V còn đầu kia mắc vào +VCC hay _VCC đều được nhưng loại nguồn này chỉ sử dụng với tải hoạt động ở chế độ xoay chiều Và tổng công suất của các linh kiện mắc từ 0V lên +VCC phải xấp xỉ bằng tổng công suất các linh kiện mắc từ 0V xuống _VCC.Nếu không chỉ sau 1 thời gian thì điện áp tại điểm "0V" sẽ bị lệch về bên nào có công suất lớn hơn.Mạch này ta rất hay gặp trong mạch loa.Nguyên văn bởi minhchien08 Xem bài viếtLần đầu tiên thấy mạch nguồn đôi kiểu này.Muốn có nguồn đôi bác fải kết hợp giữa BA và mạch chỉnh lưu thì mới có được nguồn đôi có hiệu xuất cao, còn nếu muốn tạo nguồn đôi từ nguồn đơn thì fải có mạch chuyển đổi Đơn->Đôi sau mạch chỉnh lưu. Chứ làm như bác thì em chịu.
Còn loại nguồn dùng biến áp có 3 đầu ra thì cũng cho 3 điểm điện áp sau chỉnh lưu như loại nguồn trên nhưng nó có thể hoạt động khi các tải lệch nhau nhiều về công suất mà vẫn không ảnh hưởng gì.
Comment
-
Điểm 12 V sẽ được coi là điểm giữa 0V và mắc vào mass(giữa 2 tụ).Còn 2 điểm 0V và 24V sẽ được mắc vào 2 đầu còn lại để chỉnh lưuNguyên văn bởi medientu Xem bài viếtTheo em dc biết thì mạch lọc nguồn đôi phía BA vào có 3 điểm , nếu là BA đơn thì chỉ có 0V - 12V (24V) , vậy cho em hỏi mắc như thế nào ??? Thanks
Comment
-
Chuyên làm các mạch điện tử bí hiểm và kỳ quặc .
nguyendinhvan1968@gmail.com
Mobil : 0903 252 168 Chỉ gọi từ 09 giờ đến 17 giờ . Từ 18 giờ ngoài vùng phủ sóng
Comment
-
Bạn lắp mạch chạy nguồn đơn hay đối xứng ? , theo mình nhớ thì em này chạy nguồn đối xứng max +/- 18V thôi mà http://www.datasheetcatalog.com/data.../TDA2030.shtmlGà Việt Nam
Comment
Bài viết mới nhất
Collapse
-
Trả lời cho cách làm led Hao Quang.có pro nào biết k nhỉ ???bởi StatusHello! I'm from Kazakhstan. Can anyone share the HEX file with me? The download link in post 50 doesn't work.
-
Channel: Vi điều khiển họ 8051
18-12-2025, 00:05 -
-
bởi mylinhattChào anh em cơ khí,
Trong quá trình tư vấn đầu tư thiết bị cho xưởng, mình gặp rất nhiều câu hỏi kiểu: “Nên mua máy phay CNC cũ để tiết kiệm, chọn máy mới phổ thông cho yên tâm, hay cố gắng lên máy chất lượng cao để làm hàng khó?”. Thực tế, đây không phải câu hỏi chỉ về...-
Channel: Máy công cụ
17-12-2025, 13:38 -
-
Trả lời cho Vấn đề về tốc độ quaybởi nguyendinhvanSử dụng động cơ servor, hoặc lắp thêm một cái encoder vào động cơ bước. Encoder sẽ kiểm soát động cơ có quay hoặc đứng im.
-
Channel: Điện tử truyền hình
14-12-2025, 19:50 -
-
bởi Andrea14Chào mọi người,
Tôi muốn mô phỏng sự thay đổi các mùa bằng cách từ từ nghiêng một quả địa cầu 16 inch bằng một động cơ bước nhỏ. Một động cơ bước khác sẽ quay quả địa cầu theo thời gian thực. Hệ thống truyền động...-
Channel: Điện tử truyền hình
12-12-2025, 12:42 -

Comment