Nguyên văn bởi lvt195
Xem bài viết
Nên mình muốn mọi người cùng xây dựng đóng góp, ngày xưa mình đi học, và bây giờ dạy học sinh của mình, bao giờ mình cũng dạy từ sơ đồ khối trước,nên khi ra nghề các em không bao giờ gặp phải cảnh gặp một máy lạ nhìn vào không biết linh kiện nào có nhiệm vụ gì!
Đã không hiểu chức năng nhiệm vụ của từng khối hay từng linh kiện nói gì đến sửa chữa! còn để sửa theo kiểu nhìn hay đo từng con, con nao chết thay con đó thì mình thua!
Thân.
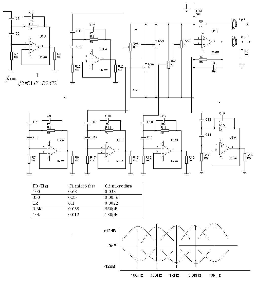
hải điều chỉnh được 3 giải tần
)
Comment