Thông báo
Collapse
No announcement yet.
lỗi "programming failed at program memory address 0x00000".
Collapse
X
-
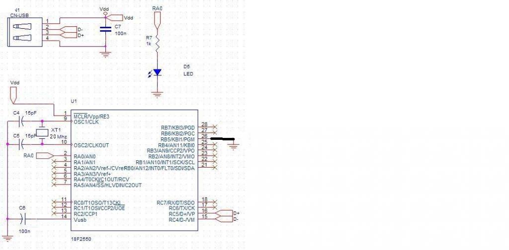
Bạn có thể cho mình xem cách bạn nạp con PIC như thế nào ? Mạch nạp (và adapter) mà bạn sử dụng. Bạn chỉ đưa lên mạch ứng dụng, trong mạch ứng dụng chỉ có jack USB; không có cổng nạp ICSP (chân PGD và PGC không nối) thì bạn nạp cho PIC trên mạch ứng dụng thế nào ??? Nếu hỏi về lỗi khi nạp mà bạn đưa ra cái sơ đồ mạch không có cổng nạp thì....sao kiểm tra được ???
Theo mình thấy thì hình như bạn dùng mạch nạp Burn-E. Mạch nạp này không có socket cắm chip nạp trên mạch nạp mà phải dùng cổng ICSP. Trong trường hợp dùng dây nối cổng ICSP với mấy chân MCLR - VDD - GND - PGD - PGC thì bạn nên cẩn thận. Nối nhầm dây, cắm nhầm chân có thể gây hư chip do điện áp khi nạp trên chân MCLR khoảng 13V lận!
-
cảm ơn anh.em thực hiện nạp cho theo những chân hướng dẩn trong burn e:
(1) MCLR 1 nMCLR/VPP/RE3
(2) VDD 20 Vdd
(3) GND 8,19 Vss
(4) PGD 28 RB7/KBI3/PGD
(5) PGC 27 RB6/KBI2/PGC
(6) AUX Not Connect
khi em chọn kiểm tra kết nối với pic thì phần mềm báo "detected pic 18f2550"
em có thể chọn chế độ "read" thiết bị. chỉ nạp là bị lỗi.
Comment
-
Nguyên văn bởi vaa_dtvn Xem bài viếtbạn nê thử với một con pic rẻ tiền khác. Khả năng con 18F2550 của bạn bị chết eprom giống như bác bienhou nói là rất cao. Mình cũng hay bị vậy lúc mới làm quen với PIC và cách giải quyết duy nhất là mua con mới
Không phải bị chết eprom đâu, PIC16F883 nạp đều báo vậy đóĐT : 01676455880
Comment
-
thường thường báo lỗi vậy là hư con pic rồi, mình bị mấy con rồi. Do cắm nhầm dây thôi. Đừng cố gắng sửa làm gì. Giờ bạn muốn biết chính xác thì làm 1 cái mạch chỉ có đế IC và 5 chân ra ICSP để nạp thôi. gắn con pic vào nạp thử, sống chết biết liền
Comment
-
Có khả năng bạn cắm mạch trên testboard bị trùng chân PGD và PGC (B7,B6)
Bạn lấy con chip ra nối 2 dây nguồn , nối 2 dây mass rồi nối từ công ICSP tới chip ... nhớ là nối ko kết nối gì với ngoại vi hết nha , rồi nạp thử chương trình đi !!!
Comment
-
Mình cũng từng gặp trường hợp như bạn. Nguyên nhân là do mình nạp trực trên kit thí nghiệm có sử dụng tải trên chân PGD và PGC nên khi nạp dùng Burn E báo lỗi như vậy. Bạn nên nạp Pic bằng một kit ở bên ngoài nạp thì tốt hơn. Mình có gửi một mạch in mà mình đang sử dụng nạp cho các dòng pic, bạn có thể tham khảo. Chúc vui.Attached Files
Comment
-
Lỗi này mình cũng từng bị một lần với Pickit2 , do chưa bỏ đánh dấu Enable Code Protect trong Tool nên Pickit không cho nạp .PIC 18F2620 , 18F2685 , 18F4431 , 18F4550 , 18F4685 Giá tốt . Hàng chính gốc Microchip , mới 100%
Vui lòng liên lạc số để biết chi tiết .
Comment
-
ko phải là bạn nạp ko được mà là vì khi enable protect code thì code trong ROM sẽ ko đọc được (vì code đã được bảo vệ) nên quá trình verify (đọc ra để kiểm tra) sẽ bị lỗi. Còn chủ thới có cái dòng not protect đỏ lồm kìa.Nguyên văn bởi hatuan291 Xem bài viếtLỗi này mình cũng từng bị một lần với Pickit2 , do chưa bỏ đánh dấu Enable Code Protect trong Tool nên Pickit không cho nạp .
Comment
-
Mình đã bị tương tự luôn. Có hai cách:
- Khi nạp rút hết phần các thiết bị ngoại vi đi, chỉ có mấy chân nạp thôi. Vì có thể nguồn và dong nuôi cho chip khi nạp bị thất thoát qua mấy modul mở rộng đó, không đủ nguồn và dòng nó sẽ bao lỗi.
- Hoặc nếu ko được nữa thì làm thêm một cái modul chỉ để nạp cho nó. Không có j khác ngoài mấy cái nạp nhé. không nối thêm modul mở rộng nào nữa.
Hotmail: tien168bn.utehy@hotmail.com
Gmail: tien168bn.utehy@gmail.com
Comment
-
Chào các bạn, mình làm đề tài về PIC16F877A, nạp bằng mạch Pickit2 Microchip, nhưng k bik vì sao cũng bị lỗi Programming này, bạn nào biết hướng dẫn với. Mạch không chạy nên đề tài bị đơ rồi. Mình Check vẫn báo nhận được PIC
Đính kèm mạch nguyên lý cho các bạn xem và chỉ giúp!
Comment
Bài viết mới nhất
Collapse
-
Trả lời cho Yêu thơ mê nhạc, mời các bác vào đây!bởi dinhthuong92Dạ, cảm ơn bác đã nghe qua và có lời khích lệ cháu ạ.
Thật lòng cháu không dám nhận hai danh hiệu Kỹ sư và Nhạc sĩ đâu ạ, vì phải thật hiểu sâu nắm vững cơ, chứ thực lực cháu đây chỉ là biết chút ít thôi à. Về phần...-
Channel: Tâm tình dân kỹ thuật
29-01-2026, 11:58 -
-
Trả lời cho Có mạch sạc nlmt nào có mppt không các bácbởi bqvietĐơn giản thì có trải nghiệm này
http://www.dientuvietnam.net/forums/...ch%C3%AA%CC%81
Chỉ phần cứng,...-
Channel: Điện tử công suất
27-01-2026, 21:32 -
-
Trả lời cho Có mạch sạc nlmt nào có mppt không các bácbởi Nexus 6Pphức tạp quá, nếu mà có mạch làm sẵn thì ngon, e dùng 2 tấm pv loại 18v 55w thôi bác
-
Channel: Điện tử công suất
26-01-2026, 08:52 -
-
Trả lời cho Có mạch sạc nlmt nào có mppt không các bácbởi Nexus 6Pcảm ơn bác nhiều nha, để e nghiên cứu
-
Channel: Điện tử công suất
26-01-2026, 07:38 -
-
Trả lời cho Yêu thơ mê nhạc, mời các bác vào đây!bởi vi van phamkỹ sư nhạc sĩ dinhthuong dạo này lên tay nghề khá quá.
-
Channel: Tâm tình dân kỹ thuật
25-01-2026, 21:29 -
-
Trả lời cho Yêu thơ mê nhạc, mời các bác vào đây!bởi dinhthuong92Hát Mừng Sinh Nhật, sáng tác: HĐT, hòa âm-thể hiện: AI
-
Channel: Tâm tình dân kỹ thuật
24-01-2026, 22:13 -
-
Trả lời cho Yêu thơ mê nhạc, mời các bác vào đây!bởi dinhthuong92Chào bác, gần Tết công việc bác bận lắm phải không?
Vâng mọi người đều thế cả.
Em mới trả phí cho nó 1 tháng, nhờ nó hát thử ấy ạ. Tiếc vì em đã dốt nhạc lí lại lười học nên sáng tác thì vụng về mà hát demo...-
Channel: Tâm tình dân kỹ thuật
24-01-2026, 21:53 -
-
Trả lời cho Có mạch sạc nlmt nào có mppt không các bácbởi bqvietCảm thấy cứng tay thì làm theo hướng dẫn khá chi tiết ở trang sau
https://www.instructables.com/DIY-1k...ge-Controller/-
Channel: Điện tử công suất
23-01-2026, 16:50 -
-
bởi Nexus 6PNhư tiêu đề, các bác giới thiệu e mạch sạc nlmt mppt có chức năng chỉnh dòng với, tấm PV của em 18V 55W, dùng để sạc cho khối pin sắt 3.2V 45A (sắp tới sẽ thay bằng ắc quy 12V)
e cảm ơn-
Channel: Điện tử công suất
23-01-2026, 11:23 -

Comment