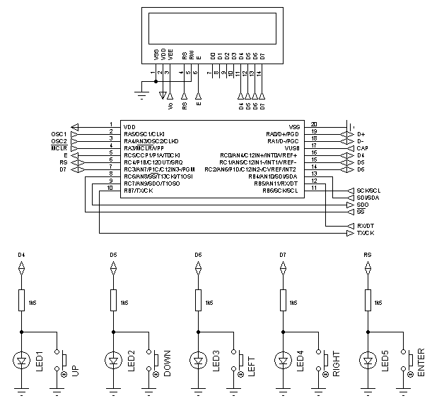
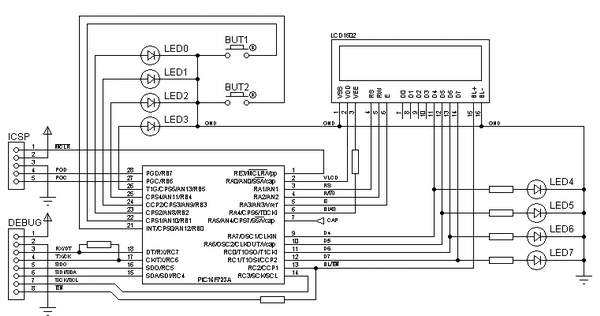
Từ trước tới giờ mình toàn dùng mạch nạp (programmer) và cũng chỉ cần nạp chương trình vào PIC. Hôm trước nói chuyện với thằng bạn nó nhắc đến Bootloader và Debugger thì mới lại quan tâm đến điều này.
Debugger là công cụ không nhất định phải có nhưng nó giúp nhiều trong việc tìm lỗi (trong quá trình lập trình). Thêm code và nạp lại chương trình không có gì khó, nhưng rõ ràng không thuận tiện bằng việc có thể dừng chương trình và kiểm tra các biến (cũng như byte bất kỳ trong bộ nhớ).
Bạn nào đã dùng thì chia sẻ nhé!
Hiện tại mình đang dùng trình dịch CCS C và mạch nạp Pickit2.
p/s: bạn nào có hứng thú với việc phát triển công cụ Bootloader và Debugger (mềm) thì cũng comment nhé
Debugger là công cụ không nhất định phải có nhưng nó giúp nhiều trong việc tìm lỗi (trong quá trình lập trình). Thêm code và nạp lại chương trình không có gì khó, nhưng rõ ràng không thuận tiện bằng việc có thể dừng chương trình và kiểm tra các biến (cũng như byte bất kỳ trong bộ nhớ).
Bạn nào đã dùng thì chia sẻ nhé!
Hiện tại mình đang dùng trình dịch CCS C và mạch nạp Pickit2.
p/s: bạn nào có hứng thú với việc phát triển công cụ Bootloader và Debugger (mềm) thì cũng comment nhé





Comment