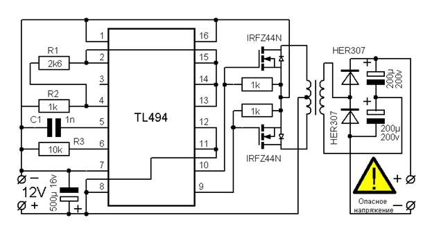
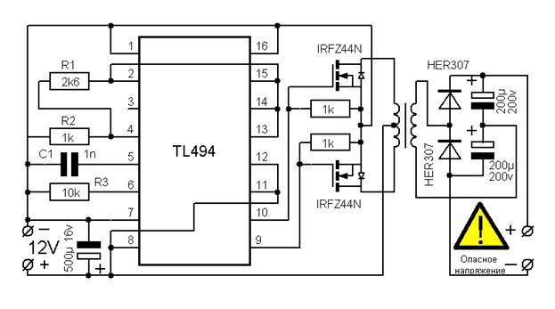
ai biết mạch điện tăng từ 12v thành 220v 40w nhỏ gọn không?
sóng vuông cũng được,tôi chỉ muốn thắp 2 cái đèn compact khi cúp điện thui
cảm ơn mọi người nha
sóng vuông cũng được,tôi chỉ muốn thắp 2 cái đèn compact khi cúp điện thui
cảm ơn mọi người nha


Comment