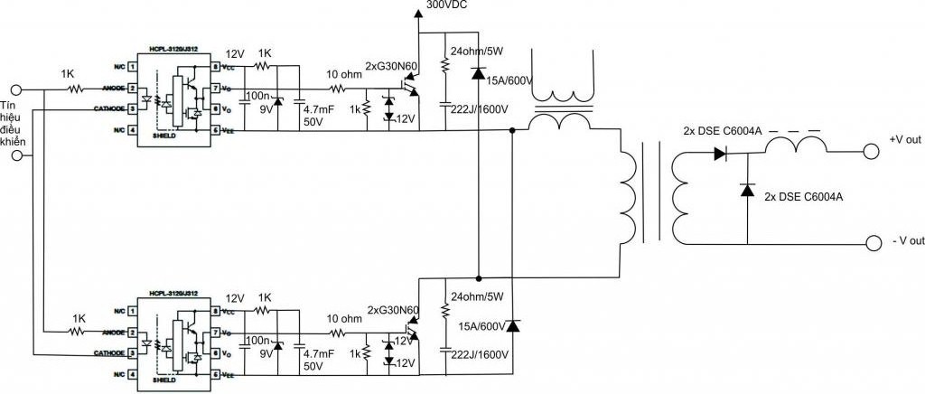
bác lehong vab oi! lại gặp bác o muc nay nữa. thú thật, e moi vầo lam thợ bảo hành cho công ty bán máy hàn điện. minh gặp loai máy top có sơ đồ như fiel đính kem. không biết a3120 nó vận hành như thế nào. máy có tình trạng như sau: khi bật len không đóng role. luc sau may bật role thi nghe tieng ri. máy dùng ic 3845 điều chế xung, thong qua a3120, lái igfp. không biết phương pháp biết a3120 chết. chân 6 3845 ra mấy vol sẽ làm việc. vì mấy ban thợ la chung cảnh bao loại máy nay dễ nổ fet lắm. mong các bác cao kiếnn chỉ giúp. thành thật cám ơn các bác
Thông báo
Collapse
No announcement yet.
Máy hàn xung tự chế tại sao không ?
Collapse
This is a sticky topic.
X
X
-
máy hàn loại này thấy đơn giản nhỉ, nhưng BAX bên sơ cấp có thêm cuộn gì nửa vậy, em ko hiểu cuộn này. bỏ nó được không.
để biết UC3845 có làm việc hay ko thì bác dùng đồng hồ số có thang đo hz, đưa vào thấy có tần số thì nó hoạt động. hoặc dùng vom đo thấy áp tầm 6-7v là ok.
mạch này đơn giản nhưng phần nguồn hơi phức tạp vì phải có 2 đường nguồn 12v cách ly riêng cho 2 con opto
để biết opto sống hay chết thì bạn đưa xung khoảng vài hz vào ngay chỗ "tín hiệu điều khiển". sau đó dùng Vom đo chân 7 và 5 nếu thấy kim đồng hồ nhịp đều đặn thì opto sống, nếu kim lên đứng yên là nó chết rồi
để tạo xung nhịp vài hz thì bạn dùng con 555 có rất nhìu mạch trên diễn đàn
Comment
-
cám ơn bác likes, theo sự dò mạch thì bax sơ cấp đưa xung về chân 3 của ic3845. bác ơi! cho e hỏi khi tiến hành sửa chữa ta cách ly igf ra bằng cách tháo ra để bảo vệ khi sửa chữa. vì do phần cấp nguồn van trực tiếp đưa vào igf. tháo ra thì bất tiện, e để như vậy nhưng hút chân G hay chân D để cho igf kg hoạt động. để như vậy igf có die kg vậy? (khi sữa nguồn hay phần pww hoặc inverter....)
Comment
-
bạn mắc tải giả vào cuộn sơ cấp của biến áp hàn ấy cẩn thận hơn thì mắc thêm tải giả nữa (là bóng đèn nữa ở phần cấp điện 300v nuôi 2 con IGBit )là yên tâm nếu bị chập thì bóng đèn sángNguyên văn bởi vanhau2001 Xem bài viếtcám ơn bác likes, theo sự dò mạch thì bax sơ cấp đưa xung về chân 3 của ic3845. bác ơi! cho e hỏi khi tiến hành sửa chữa ta cách ly igf ra bằng cách tháo ra để bảo vệ khi sửa chữa. vì do phần cấp nguồn van trực tiếp đưa vào igf. tháo ra thì bất tiện, e để như vậy nhưng hút chân G hay chân D để cho igf kg hoạt động. để như vậy igf có die kg vậy? (khi sữa nguồn hay phần pww hoặc inverter....)
Comment
-
khi sửa phần điều khiển thì bạn nên lấy IGBT ra, đừng nên vì thấy bất tiện mà phải trả giá, nó chỉ có 3 chân thôi mà. mấy con module IGBT trong các biến tần có 24 chân, mạch 2 lớp mà mỗi khi sửa mình cũng phải xả nó ra, bạn biết nó cực khổ đến mức nào không, vì nếu không lấy ra khi đo thử sơ xuất chậm chạm thì nghe cái...tách...là bay mấy triệuNguyên văn bởi nguyenha7940 Xem bài viếtbạn mắc tải giả vào cuộn sơ cấp của biến áp hàn ấy cẩn thận hơn thì mắc thêm tải giả nữa (là bóng đèn nữa ở phần cấp điện 300v nuôi 2 con IGBit )là yên tâm nếu bị chập thì bóng đèn sáng
một điều không thiếu nửa là bạn nên nối tiếp với một bóng đèn tròn 100w khi cấp nguồn để thử hoặc sửa chữa
Comment
-
kinh nghiệm mà các bác chảy qua điều la sương máu, truyền lại cho nhau là cả kho báo. mình mới vào nghề vì lòng đam mê nhưng cũng vì cái duyên chắc cũng là cái nghiệp nữa. hôm nay mình cũng đã sữa máy top200 của tq rồi. tiếng rít phát ra la do bax bị chạm thì phải( đo không biết nên đoán vậy mà). à ma bac likes ơi mắc nối tiếp bóng đèn 100w với máy hàn hả bác? mình tạo nguồn giả lập sửa được không bác?
Comment
-
có nghĩa thì thay vì bạn cấm dây nguồn máy hàn vào 220v thì giờ bạn nối tiếp dây nguồn đó với bóng 100w rồi hãy cấm vào 220v. để khi có chập chạm thì bóng đèn sáng lên không làm nổ máy hàn của bạn.Nguyên văn bởi vanhau2001 Xem bài viết... à ma bac likes ơi mắc nối tiếp bóng đèn 100w với máy hàn hả bác...
và đó cũng là cách kiểm tra đầu tiên xem máy có chạm không. nếu máy chạm thì khi cấm điện bóng đèn sẽ luôn. nếu máy không chạm thì khi cấm điện đèn sẽ nhá sáng lên rồi tắt hoặc sáng mờ
Comment
-
ah mấy tuần rùi mình bận wá nên cũng hok có làm tiếp tới nay mới lấy ra làm tiếp nè. cái biến áp của mình tiết diện là 8cmm2 mình quấn 5/15 tiết diện dây 4/12.. ban làm xong chuaNguyên văn bởi quyen81 Xem bài viếtBruce Nhon làm tới đâu rồi độ này minh bận quá vẫn chưa làm được gì cả, bạn cho mình hỏi biến áp động lực của bạn tiết diện trụ là bao nhiêu và bạn quấn bao nhiêu vòng sơ/thứ,mạch chạy ở tần số bao nhiêu Khz? mình vẫn chưa mua được ibg4pc50u không biết con nào thay thế được con này ở đây bạn nào biết thì cho mình biết với? cảm ơn các bạn
Comment
-
mình vẫn chưa làm xong hôm nọ mình chạy thử nối tiêp qua bóng đèn 100w thì bóng đèn sáng hết cỡ mình chỉnh thử tăng tần số cho đèn sáng mờ đỏ thì đo tần số là 52khz không biết mạch có sai chỗ nào không nữa ( BAX của mình tiêt diện 9cm2Nguyên văn bởi Bruce Nhon Xem bài viếtah mấy tuần rùi mình bận wá nên cũng hok có làm tiếp tới nay mới lấy ra làm tiếp nè. cái biến áp của mình tiết diện là 8cmm2 mình quấn 5/15 tiết diện dây 4/12.. ban làm xong chuaquấn 7/18v tiêt diện dây quấn 15/5mm2) igb mình dùng 40n60,ban cho chạy tần số bao nhiêu khz vậy cặp RC nào?
Last edited by quyen81; 15-05-2012, 16:06.
Comment
-
bạn thử đổi đầu dây sơ cấp cho nhau xem thế nào và số liệu biến áp quấn ra sao?Nguyên văn bởi 201289 Xem bài viếtCác anh cho em hỏi bộ nguồn của em giời nó bị sụ áp còn 10v.chưa cho tải gì.các anh giúp em nguyên nhân vời ạ.
Comment
-
mình dùng cặp RC là tụ 272 và trở 10k . hôm trước mình test sơ cấp của mạch động lực , rất tốt bóng đèn 100w đỏ sợi tóc thôi,hôm nay bỏ bóng đèn ra đấu thẳng luôn,lắp ráp hết các bộ phận còn lại vào , thế là cháy cầu chì. mình đấu bóng đèn lại nó sáng như cấp nguồn 220V. kiểm tra igbt như thế này: chân g thông hết 2 chân còn lại, +pin vào chân c -pin vào chân e thang đo 10k là 80k -----------> igbt chết rùi. hok hiều sao lại chết hết 2 con 1 lúc luôn chứ.Nguyên văn bởi quyen81 Xem bài viếtmình vẫn chưa làm xong hôm nọ mình chạy thử nối tiêp qua bóng đèn 100w thì bóng đèn sáng hết cỡ mình chỉnh thử tăng tần số cho đèn sáng mờ đỏ thì đo tần số là 52khz không biết mạch có sai chỗ nào không nữa ( BAX của mình tiêt diện 9cm2[ATTACH=CONFIG]45052[/ATTACH] quấn 7/18v tiêt diện dây quấn 15/5mm2) igb mình dùng 40n60,ban cho chạy tần số bao nhiêu khz vậy cặp RC nào?
igbt 40n60 bạn mua bao nhieu 1 con vậy mình mua con g4pc50w 45k 1con
Comment
-
40n60 mình mua 40k một con,mạch khi bỏ bóng dèn ra bạn có lắp biến dòng vào không? mạch mình khi chỉnh tần số 52khz thì bóng đèn 100w hơi mờ đỏ nhưng khi tháo biến dòng ra thì đèn lại sáng hết cỡ không hiểu mạch sai chỗ nào? chưa giám đấu trưc tiếp vào, hôm nọ dấu thử như bạn cũng bị nổ như bạn tiếc hai con igbt quá chưa dám thử thêm, à bạn SONDAO làm thanh công rồi cho mình lời khuyên với cám ơn bạnNguyên văn bởi Bruce Nhon Xem bài viếtmình dùng cặp RC là tụ 272 và trở 10k . hôm trước mình test sơ cấp của mạch động lực , rất tốt bóng đèn 100w đỏ sợi tóc thôi,hôm nay bỏ bóng đèn ra đấu thẳng luôn,lắp ráp hết các bộ phận còn lại vào , thế là cháy cầu chì. mình đấu bóng đèn lại nó sáng như cấp nguồn 220V. kiểm tra igbt như thế này: chân g thông hết 2 chân còn lại, +pin vào chân c -pin vào chân e thang đo 10k là 80k -----------> igbt chết rùi. hok hiều sao lại chết hết 2 con 1 lúc luôn chứ.
igbt 40n60 bạn mua bao nhieu 1 con vậy mình mua con g4pc50w 45k 1con
Comment
Bài viết mới nhất
Collapse
-
bởi bqvietMạch cồng kềnh nhưng khá bài bản. Nếu tự làm để học thì cũng đáng để bắt tay nghịch chơi. Nếu chỉ cần sản phẩm thì các sàn thương mại điện tử có sẵn UPS DC này ra 5V hoặc 12V rất sẵn, chạy pin, giá cũng không đắt.
-
Channel: Điện tử sáng tạo
hôm nay, 18:28 -
-
bởi mylinhattTrong vận hành thực tế, nhiều xưởng gia công gặp tình trạng máy phay CNC bắt đầu sai kích thước, bề mặt rung nhẹ hoặc phát sinh lỗi thay dao dù chương trình và dao cắt không thay đổi. Phần lớn các vấn đề này không xuất phát từ lập trình mà đến từ việc bảo dưỡng máy chưa được thực hiện đúng và đủ....
-
Channel: Máy công cụ
Hôm qua, 11:27 -
-
bởi ittcHì, em tính đi mua 1 cái máy Khoan và máy Mài (cắt), em đã chính thức gạt thằng BOSCH sang 1 bên vì giá cao hơn Dewalt và Makita, hơn nữa xem Cataloge của nó thì hàng ít model mẫu mã hơn.
Giá Dewalt và Makita thấy ngang ngửa nhau, thôi thì nhu...-
Channel: Điện tử gia dụng
Hôm qua, 07:20 -
-
bởi DaoVanTrongChào Anh Em. Nay em có tạo 1 sơ đồ mạch UPS sau, xin Ae cho ý kiến.
Và nếu biết sản phẩm này nếu có sẵn thì em xin link để mua (nếu giá phù hợp) thì em đỡ phải làm ạ, vì em tìm nhưng không thấy:
╔═══════════════════[ĐIỆN_LƯỚI_220V]════════════════╗...-
Channel: Điện tử sáng tạo
21-12-2025, 23:32 -
-
Trả lời cho Nên mua máy phay CNC cũ, máy mới phổ thông hay máy chất lượng cao? Góc nhìn từ bài toán sản xuất thực tếbởi nguyendinhvanNgày trước, khi KT đang tăng trưởng, một cái máy tự động cũ tầm trung, thì khoảng 5 năm là hoàn vốn. Nhưng hiện tại, mọi việc đều chậm trễ, cạnh tranh, nên theo các xếp tính thì phải hơn 10 năm làm việc ngon lành thì mới hoàn vốn....
-
Channel: Máy công cụ
20-12-2025, 20:23 -
-
Trả lời cho cách làm led Hao Quang.có pro nào biết k nhỉ ???bởi StatusHello! I'm from Kazakhstan. Can anyone share the HEX file with me? The download link in post 50 doesn't work.
-
Channel: Vi điều khiển họ 8051
18-12-2025, 00:05 -
-
bởi mylinhattChào anh em cơ khí,
Trong quá trình tư vấn đầu tư thiết bị cho xưởng, mình gặp rất nhiều câu hỏi kiểu: “Nên mua máy phay CNC cũ để tiết kiệm, chọn máy mới phổ thông cho yên tâm, hay cố gắng lên máy chất lượng cao để làm hàng khó?”. Thực tế, đây không phải câu hỏi chỉ về...-
Channel: Máy công cụ
17-12-2025, 13:38 -
-
Trả lời cho Vấn đề về tốc độ quaybởi nguyendinhvanSử dụng động cơ servor, hoặc lắp thêm một cái encoder vào động cơ bước. Encoder sẽ kiểm soát động cơ có quay hoặc đứng im.
-
Channel: Điện tử truyền hình
14-12-2025, 19:50 -

Comment