Nguyên văn bởi cvhp
Xem bài viết
Thông báo
Collapse
No announcement yet.
Amply công suất lớn !!! Shema + Layout full
Collapse
X
-
em xin thua bác luôn.đọc từ đầu thấy bác quanghao vào post chia sẻ nhưng bác cũng không mấy màng đến ý kiến của bác ấy.bác ấy đã làm thành công mạch dạng này theo con ampli vài tỉ đấy bác ạ và thông số thì khủng có lẽ con ampli này của bác chạy xách dép ngửi khói còn xa chưa nói tới linh kiện nhé.bác đã nói tới ampli xịn thì thế nào là xịn hả bác.vụ tụ pi chân transistor khuếch đại điện thế bác bảo không ảnh hưởng mấy tới âm thanh thì em biết bác thế nào rồi.bác cho em hỏi con đó lựa chon thế nào cho phù hợp ạ.khi làm ampli thì linh kiện làm ampli phải thế nào ạ và linh kiện ảnh hưởng thế nào tới âm thanh ạ.ở đây em chưa nói là thêm tầng khuếch đại nào hết mà em chỉ mới nói tới thêm tầng phụ trợ với linh kiện tích cực để ampli hoạt động ổn định hơn.bác mang con mày ra đo bằng máy hiện sóng bao giờ chưa ạ và bác đã test bằng tải thuần trở với tín hiệu max xem có đạt không ạ.bắt đầu từ con số 0 đích đến là con số 10.biết còn nhiều gian nan nhưng càng gian nan thì lại càng tiến gần đến thành công.
Comment
-
có miệng thì cứ nói, tôi đâu có cấm, k người ta lại bảo câm.Nguyên văn bởi dinhhay Xem bài viếtem xin thua bác luôn.đọc từ đầu thấy bác quanghao vào post chia sẻ nhưng bác cũng không mấy màng đến ý kiến của bác ấy.bác ấy đã làm thành công mạch dạng này theo con ampli vài tỉ đấy bác ạ và thông số thì khủng có lẽ con ampli này của bác chạy xách dép ngửi khói còn xa chưa nói tới linh kiện nhé.bác đã nói tới ampli xịn thì thế nào là xịn hả bác.vụ tụ pi chân transistor khuếch đại điện thế bác bảo không ảnh hưởng mấy tới âm thanh thì em biết bác thế nào rồi.bác cho em hỏi con đó lựa chon thế nào cho phù hợp ạ.khi làm ampli thì linh kiện làm ampli phải thế nào ạ và linh kiện ảnh hưởng thế nào tới âm thanh ạ.ở đây em chưa nói là thêm tầng khuếch đại nào hết mà em chỉ mới nói tới thêm tầng phụ trợ với linh kiện tích cực để ampli hoạt động ổn định hơn.bác mang con mày ra đo bằng máy hiện sóng bao giờ chưa ạ và bác đã test bằng tải thuần trở với tín hiệu max xem có đạt không ạ..
Comment
-
làm kĩ thuật mà nóng tính là khó thành công rồi.mạch người ta đã làm rồi cải tiến cho nó tốt hơn chứ có lùi đâu,mà sổ toẹt là em nói thì anh em có lợi chứ hơn thua gì ở đây.kiến thức của em là do học hỏi các bác đi trước chứ có tự nghĩ ra được đâu,đi sau phải biết kế thừa cái gì đã có và phát triển nó,
thôi em câm.bắt đầu từ con số 0 đích đến là con số 10.biết còn nhiều gian nan nhưng càng gian nan thì lại càng tiến gần đến thành công.
Comment
-
Kinh quá. Cao thủ đj qua. Gjó bão nổj lên vù vù..
Em thấy bác cvhp cũng tốt ấy chứ. Bỏ time và trí óc gjúp đỡ anh em. Mạch ít linh kiện. Thông dụng. Dễ ráp. Công suất lớn.
Hay là bác ấy thu tiền?Nhiễu điều phủ lấy giá gương
Người trong một nước phải thương nhau cùng
Comment
-
tôi viết tận tường hết như thế mà thu tiền hả. ông mún ăn gạch rùi phải hok?Nguyên văn bởi nongdanfo Xem bài viếtKinh quá. Cao thủ đj qua. Gjó bão nổj lên vù vù..
Em thấy bác cvhp cũng tốt ấy chứ. Bỏ time và trí óc gjúp đỡ anh em. Mạch ít linh kiện. Thông dụng. Dễ ráp. Công suất lớn.
Hay là bác ấy thu tiền?.
Comment
-
bác cho ý kiến về mạch này với,Nguyên văn bởi cvhp Xem bài viếttôi viết tận tường hết như thế mà thu tiền hả. ông mún ăn gạch rùi phải hok?
http://www.dientuvietnam.net/forums/...dung-fet-7316/
đang định làm một cái amply fet ,so vơi mạch của bác có mạnh bằng không,linh kiện dễ tìm không,tiện thể có bác nào làm rùi cho xin y kiến nhé????????
Comment
-
make it, chuẩn ấyNguyên văn bởi hehehehehehe Xem bài viếtbác cho ý kiến về mạch này với,
http://www.dientuvietnam.net/forums/...dung-fet-7316/
đang định làm một cái amply fet ,so vơi mạch của bác có mạnh bằng không,linh kiện dễ tìm không,tiện thể có bác nào làm rùi cho xin y kiến nhé????????.
Comment
-
bác giúp chuyển sang PDF với cái file ấy in ra không đúng kích thước,đâu có làm đươc.Nguyên văn bởi cvhp Xem bài viếtmake it, chuẩn ấy
Comment
-
trời đất. kêu ai post hình, pots cái PDF lên, cái hình vậy rùi tui chỉnh đúng kích thước sao mà dc hjx hjxNguyên văn bởi hehehehehehe Xem bài viếtbác giúp chuyển sang PDF với cái file ấy in ra không đúng kích thước,đâu có làm đươc..
Comment
-
cái luồng bên ấy tắt ngúm lâu rùi mãi từ năm 2007 em có hỏi cũng chả ai quan tâm,thế mới hỏi bác đây chứ,?????nghe nói có cách nào đưa vô photoshopp chỉnh lại được nhưng máy mình chả có photoshop,với lại cũng chả biết dùng,heheNguyên văn bởi cvhp Xem bài viếttrời đất. kêu ai post hình, pots cái PDF lên, cái hình vậy rùi tui chỉnh đúng kích thước sao mà dc hjx hjx
Comment
-
bó tay, có nước nhờ ai biết photoshop mà chỉnh lại, k thì vẽ lại mạch theo shematic rùi vẽ mạch in lại giống thế thì đcNguyên văn bởi hehehehehehe Xem bài viếtcái luồng bên ấy tắt ngúm lâu rùi mãi từ năm 2007 em có hỏi cũng chả ai quan tâm,thế mới hỏi bác đây chứ,?????nghe nói có cách nào đưa vô photoshopp chỉnh lại được nhưng máy mình chả có photoshop,với lại cũng chả biết dùng,hehe.
Comment
-
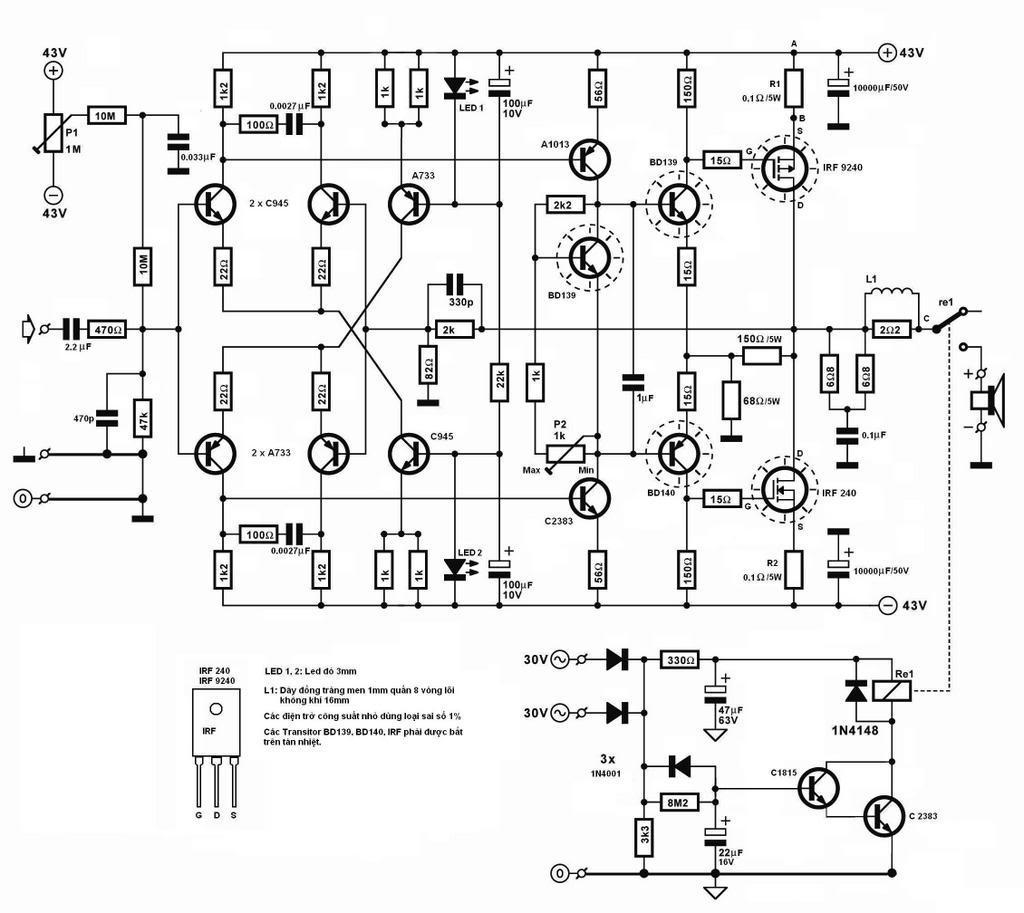
đây là sơ đồ dạng mạch đẩy kéo đối xứng bù.kiểu mạch này có độ ồn lớn và méo giao điểm vì con transistor thuận và ngược không bao giờ giống nhau.dạng này em không nhầm thì do giáo sư LEACH thiết kế thì phải,mà ông ấy chỉ cho học sinh trung học thực tập thôi thì phải.mạch này áp dụng để đánh SUB và hát karaoke thì chấp nhận được ạ chứ làm để nghe nhạc thì làm cái mạch của bác CVHP còn hay hơn nhiều.bắt đầu từ con số 0 đích đến là con số 10.biết còn nhiều gian nan nhưng càng gian nan thì lại càng tiến gần đến thành công.
Comment
Bài viết mới nhất
Collapse
-
Trả lời cho cách làm led Hao Quang.có pro nào biết k nhỉ ???bởi StatusHello! I'm from Kazakhstan. Can anyone share the HEX file with me? The download link in post 50 doesn't work.
-
Channel: Vi điều khiển họ 8051
18-12-2025, 00:05 -
-
bởi mylinhattChào anh em cơ khí,
Trong quá trình tư vấn đầu tư thiết bị cho xưởng, mình gặp rất nhiều câu hỏi kiểu: “Nên mua máy phay CNC cũ để tiết kiệm, chọn máy mới phổ thông cho yên tâm, hay cố gắng lên máy chất lượng cao để làm hàng khó?”. Thực tế, đây không phải câu hỏi chỉ về...-
Channel: Máy công cụ
17-12-2025, 13:38 -
-
Trả lời cho Vấn đề về tốc độ quaybởi nguyendinhvanSử dụng động cơ servor, hoặc lắp thêm một cái encoder vào động cơ bước. Encoder sẽ kiểm soát động cơ có quay hoặc đứng im.
-
Channel: Điện tử truyền hình
14-12-2025, 19:50 -
-
bởi Andrea14Chào mọi người,
Tôi muốn mô phỏng sự thay đổi các mùa bằng cách từ từ nghiêng một quả địa cầu 16 inch bằng một động cơ bước nhỏ. Một động cơ bước khác sẽ quay quả địa cầu theo thời gian thực. Hệ thống truyền động...-
Channel: Điện tử truyền hình
12-12-2025, 12:42 -

Comment