Nguyên văn bởi kidteam
Xem bài viết
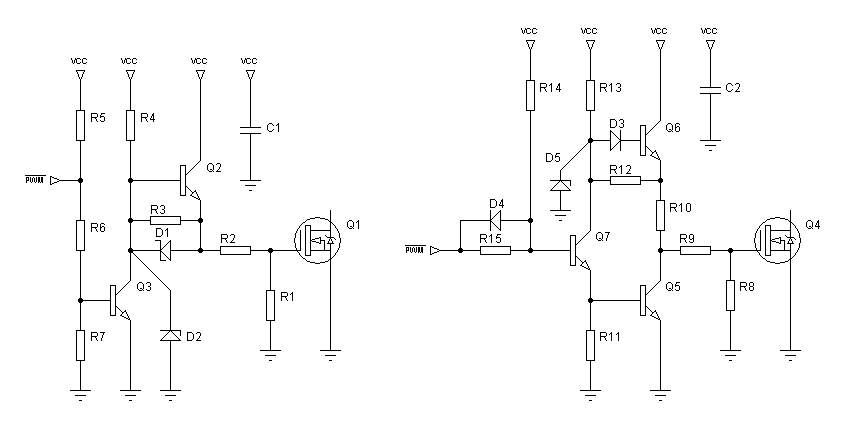
Vì lý do nào đấy điện áp ngược sinh ra sẽ chết transistor---->chết vdk.
Các máy công nghiệp người ta dùng opto kích fet cs nhỏ ---->kích fet công suất lớn,như thế sẽ an toàn,vdk không bị treo hay chết.


. Cho đến khi được hỏi 2 câu: có phải mỗi con đó hỏng không?... Khi không có con nào hỏng thì có tèo không?

Comment